751.22 Prestressed Concrete I Girders: Difference between revisions

From Engineering_Policy_Guide
Jump to navigation Jump to search
Smithk (talk | contribs)
Smithk (talk | contribs)
Line 35: Line 35:


::::::::::::Modulus of Elasticity, <math>\, E_c = 33,000\ K_1 \ (w_c^{1.5}) \sqrt{f^'_c}</math>
::::::::::::Modulus of Elasticity, <math>\, E_c = 33,000\ K_1 \ (w_c^{1.5}) \sqrt{f^'_c}</math>
::::::::::::Where,


::::::::::::f'<sub>c</sub> in ksi
::::::::::::f'<sub>c</sub> in ksi

Revision as of 13:35, 15 February 2012

Video
Concrete Girder

751.22.1 General

751.22.1.1 Material Properties

Concrete

Conventional concrete strength for P/S I-Girder shall be the following:

For MoDOT Standard Girders:
f'ci=4.5ksi, f'c=6.0ksi
Optional higher concrete strength shall be:
f'ci=5.0ksi, f'c=7.0ksi
OR
With the approval of the Structural Project Manager or Liaison:
f'ci=6.5ksi, f'c=8.0ksi
For NU Standard Girder:
f'ci=6.5ksi, f'c=8.0ksi
Strengths greater than 8 ksi shall require high performance concrete (HPC) and may increase costs due to production modifications necessary to obtain the required strength.
Modulus of Elasticity, Ec=33,000K1(wc1.5)fc'
Where,
f'c in ksi
K1 = correction factor for source of aggregate
= 1.0 unless determined by physical testing
wc=0.145kcfforf'c5.0ksi
wc=0.140+0.001f'cforf'c>5.0ksi
 
Prestressing strand
Type of strand:
AASHTO M203 (ASTM A416) Grade 270
Uncoated, seven-wire, low-relaxation strand
Ultimate tensile strength, fpu=270ksi
Yield strength, fpy=0.9fpuksi
Strand modulus of elasticity, Ep=28500ksi
For standard concrete:
  Strand diameter, dps=0.5in
  Strand area, Aps=0.153in2
For optional concrete:
  Strand diameter, dps=0.6in
  Strand area, Aps=0.217in2
 
Mild reinforcing steel
Minimum yield strength, fy=60.0ksi
Steel modulus of elasticity, Es=29000ksi
 
Welded Wire Reinforcement
Minimum yield strength, fy=70.0ksi
Steel modulus of elasticity, Es=29000ksi

751.22.1.2 Geometric Dimensions

The ratio of the depth of girder to span length will in general be not less than 1/18.

The cross sectional dimensions of the girder shall be one of the following:

MoDOT Standard Girders:
BEAM TYPE 2 BEAM TYPE 3 BEAM TYPE 4 BEAM TYPE 6



BEAM TYPE 7 BEAM TYPE 8


* If the web is required to be increased, then the top and bottom flanges are to be increased by the same amount. (1" increments 2" max.).


See Structural Project Manager before using NU Sections.

NU Standard Girders:
BEAM NU 35
A = 639.79 in.2
Yb = 15.96 in.
Yt = 19.48 in.
Ixx = 108,498 in.4
Iyy = 60,086 in.4
V/S = 3.067 in.


BEAM NU 43 BEAM NU 53
A = 686.05 in.2 A = 743.88 in.2
Yb = 19.36 in. Yb = 23.71 in.
Yt = 23.95 in. Yt = 29.44 in.
Ixx = 179,343 in.4 Ixx = 297,512 in.4
Iyy = 60,219 in.4 Iyy = 60,385 in.4
V/S = 3.058 in. V/S = 3.048 in.


BEAM NU 63 BEAM NU 70
A = 801.72 in.2 A = 847.98 in.2
Yb = 28.14 in. Yb = 31.74 in.
Yt = 34.86 in. Yt = 39.14 in.
Ixx = 451,306 in.4 Ixx = 601,931 in.4
Iyy = 60,551 in.4 Iyy = 60,684 in.4
V/S = 3.040 in. V/S = 3.034 in.


751.22.1.3 Typical Span Ranges

The following charts provide span ranges (limits) for P/S I-girders based on girder spacing and standard roadway widths.

Limitations of the Charts:

A. Standard Concrete Charts Only
Criteria used in determining maximum span lengths for lower conventional concrete strength:
1) Low-relaxation strand with 0.5” strand diameter
2) Concrete strengths, f'ci = 4.5 ksi and f'c = 6.0 ksi
3) 3-span bridge consisting of 3 equal length girders made continuous and composite
B. Optional Concrete Charts Only
Criteria used in determining maximum span lengths for greater conventional concrete strength:
1) Low-relaxation strand with 0.6” strand diameter
2) Concrete strengths, f'ci = 5.0 ksi and f'c = 7.0 ksi
3) 3-span bridge consisting of 3 equal length girders made continuous and composite
C. Both Standard Concrete and Optional Concrete Charts
Criteria used in determining span ranges for both Standard and Optional Concrete conventional strengths.
1) Minimum span lengths were determined by the positive moment capacity of the smallest strand arrangement per beam shape. Shorter span lengths are possible.
2) Based on 10 ft. design lanes. (Current design practice meets AASHTO LRFD and uses 12 ft. design lanes.)
3) Based on unrefined prestress loss equations. (Current design practice meets AASHTO LRFD and uses refined losses.)

Recommended Adjustments for Using the Charts:

Because the span limit charts were developed using older design criteria as noted above, increased span lengths are probable.

1) Span limits given in all charts should be increased 10 percent to account for current design practice. Ten percent can safely be used without a preliminary girder analysis.
2) Span limits given in all charts shall be increased when a preliminary girder analysis based on actual design conditions is performed which shall be noted on the Design Layout.


Span range charts are planned for future replacement. Use the recommended adjustments until implemented.


Standard Concrete (f'c = 6 ksi) P/S I Beam Span Ranges for
Given Roadway Widths and Girder Spacing


Optional Concrete (f'c = 7 ksi) P/S I Beam Span Ranges for
Given Roadway Widths and Girder Spacing

751.22.1.4 Span and Structure Lengths

Girder Length and Geometric Layout

Tangent Bridges
Girder lengths of exterior spans (i.e., end spans) shall be computed using the requirements shown below.
Girder lengths of interior spans shall be computed using the requirements shown below.
Curved Bridges
Layout of any curved structure may be done using any coordinate geometry programs available. To layout the bridge, use the following steps:
  1. Start out by laying in the centerline (CL) of the survey curve.
  2. Locate the tie point of the bridge. This point will usually be on the CL of the survey curve but may be on a baseline which is offset a certain distance to the CL of the survey curve.
  3. A second tie point may be required if the skew is not measured to the CL of roadway at the bridge tie point. If this is the case, establish the tie point at the specified station and plot the skew line at the required angle.
  4. Next, on the centerline of structure or baseline curve, locate the station of the CL of bent for each intermediate bent and the fill face for the end bents. Once these points are located, plot lines through these stations parallel to skew line. Normally the layout file will specify that all bents are parallel to the skew line; however, there may be times when the bents are radial or have varying skews.
  5. When locating the stations in the preceding step, the distance between CL of intermediate bents are exactly the layout lengths specified on the file. However, the end spans need to follow the procedure for calculating length set forth in this section.
  6. When the CL of the intermediate bents and the fill face lines have been added, chords should be drawn connecting these points sequentially. For example, if you have a three span bridge, chords should be drawn from the fill face of bent 1 to CL of bent 2, CL bent 2 to CL bent 3, and CL bent 3 to fill face bent 4.
  7. When all the chords are in, offset each girder in each span parallel to this chord. The perpendicular distance between girders will be the same for all spans, but the skew distance between girders along the bent will vary from bent to bent depending on the skew to the CL at that point. The designer needs to be aware of the fact that at an intermediate bent the distance between bearings on the approaching and leaving span sides will be different distances. These bearings will not line up across the bent and will actually diverge more the farther away they are from the CL of the survey.
  8. When establishing the CL of bearing points, the designer needs to allow for a minimum of seven (7) inches between ends of girders at the bents while keeping in mind that the girders will be offset and at different skews. If the offset is greater than half the girder bottom flange width, see Structural Project Manager. The distance from the end of girder to CL of bearing point should be half of the bearing length plus one inch minimum clearance. Once the distance for CL bent to CL of bearing is calculated, the designer should offset lines by that dimension on either side of the CL of bent. These lines will then be intersected with each of the girder lines to create the bearing points on each bent.
  9. Between the bearing points at the ends of the girders, quarter points or tenth points need to be established, depending on the girder span. These points will be used in calculating the haunch and bottom of slab elevations for the bridge deck.
  10. The bridge deck and barrier curbs can be laid in by offsetting the CL of roadway to each side by the proper distance. Curves should be laid in to designate both the inside and outside edges of the barrier curb. These will later be useful in laying in the wings and end bents.
  11. After the outside edge of slab curves are plotted, the curve offsets need to be found. The intersection point of the outside edge of slab and the CL of each bent or fill face can be connected with chords. The distance between these chords and their partner curves need to be calculated at five foot intervals beginning at the center point of each chord.
  12. Joints are placed in the barrier curb at each bent. These joints are placed perpendicular to the CL of the roadway through the intersection point of the CL bent and the inside of barrier curb.
  13. Wing layout length is given on the profile sheets in the layout file. An arc should be struck so as to intersect the inside of barrier curb the specified length from a point at the intersection of the fill face and the inside of barrier curb. This point will mark the end of the wing which is perpendicular to the CL of the roadway.
The vertical curve information needs to be added so a program can calculate the elevations at the desired stations. After this is done, the designer can request any of the following information which will be needed:
  • Stations and elevations of all points
  • Offset distances to the chords
  • Lengths of girders
  • Distances between bearings
  • Angles between girders and each bent
  • Lengths of bents
  • Lengths of barrier curbs between joints
  • Minimum vertical clearance



INTEGRAL END BENTS



NON-INTEGRAL END BENTS


Note: Layout length for single span shall be measured from centerline of bearing to centerline of bearing. If the difference between layout length of the end span and interior span is within 1 ft., then layout length should be adjusted if possible so the girder lengths are equal for end span and interior span.
(*) Minimum dimension from edge of bearing pad to end of girder equals one inch.
(**) Design layout lengths are horizontal lengths. Girder lengths should be adjusted according to grade and shall be specified to the nearest 1/8 inch.
(***) For large skews, end bent beam caps may need to be larger to provide edge distance.
(****) Horizontal distance along certerline of girder.



PART PLAN SHOWING COPING DETAIL


Note: Non-Integral end bents with skews greater than 40° shall always have girder ends coped. Skews less than 40° shall have girder ends coped on case by case basis. It is preferable to not cope across the web.

Check clearance from fill face of integral end bents to bottom flanges of NU standard girders. Maintain 3” (min.) clearance. Coping may be permitted with approval of the Structural Project Manager or Structural Liaison Engineer.

(*) Maximum length from End Bent to End Bent = 600 feet.
TYPICAL CONTINUOUS PRESTRESS STRUCTURE
(INTEGRAL END BENTS)


(**) Maximum length from End Bent to End Bent = 800 feet.
TYPICAL CONTINUOUS PRESTRESS STRUCTURE
(NON-INTEGRAL END BENTS)

751.22.1.5 Constant and Varied Joint Filler Loads

Varied joint filler load

The prestressed I-girder should first be designed assuming that the contractor will vary the joint filler supporting the panels on the girder flange. This assumption will maintain the minimum slab/panel combination thickness of 8 1/2”, and will eliminate the possibility of increased load due to varying slab thickness.


Constant joint filler load

With the girder designed and the camber and haunching dimensions calculated, the girder should be checked assuming the contractor will use a constant 1” joint filler. This will cause the slab thickness to vary due to camber of the girder, increasing load. This additional load shall be placed as a concentrated load at 1/8 point from each end of the girder.

An example of how this concentrated load could be calculated is shown as follows:

Load w=(A)(0.15kips/ft.3)
Determine the concentrated load* to girders by distributing w transversely across the girders. If the minimum haunch is greater than 1” joint filler, the additional haunch shall be included in the slab thickness as a uniform load. If the use of these loads causes the girder design to change, it shall be the responsibility of the designer to determine if the camber and haunching should be recalculated.

*This load shall be positioned at the 1/8 point from centerline of bearing pad.

The girder and bearing designs should be checked for the constant joint filler option and constant joint filler load. However, camber, haunching and beam seat elevations shown on the plans should be based on the variable joint filler option.


JOINT FILLER LOADS

751.22.2 Design

751.22.2.1 Load Combinations

In general, each component shall satisfy the following equation:

Q=ηiγiQiϕRn=Rr


Where:

Q = Total factored force effect
Qi = Force effect
ηi = Load modifier
γi = Load factor
ϕ = Resistance factor
Rn = Nominal resistance
Rr = Factored resistance


Limit States

The following limit states shall be considered for P/S Girder design:

SERVICE I - for compressive stress
SERVICE III - for tensile stress
STRENGTH I

See LRFD Table 3.4.1-1 for Loads and Load Factors applied at each given limit state.


Resistance factors, ϕ

STRENGTH limit states, see LRFD Article 6.5.4.2 & 5.5.4.2.1
For all other limit states, ϕ = 1.00


See EPG 751.2.3.1 Load Modifiers.

751.22.2.2 Prestressing Strands

Transfer Length of Prestressing Strands

The prestressing force may be assumed to vary linearly from zero at the point where bonding commences to a maximum at the transfer length. The transfer length may be taken as 60 times the strand diameter.


Development Length of Prestressing Strands

The development length for prestressing strands shall be taken as:

ld1.6(fps23fpe)dps

Where: dps = Nominal diameter of strand, (in.) fps = Average stress in prestressing strand at the time for which the nominal resistance of the girder is required, (ksi)


Stress limits for prestressing strands

Strand stress at service limit state shall not exceed the following:

At jacking:

fpj0.75fpu ksi
(For typical girders and fabrication economy, fpj=0.75fpu)

At service limit state after all losses:

fpe0.80fpy ksi

Where:

fpj = Stress in prestressing strand at jacking, (ksi)
fpe = Effective stress of strand after all losses, (ksi)
fpy = Yield strength of strand, (ksi)
fpu = Ultimate tensile strength of strand, (ksi)


Prestress Losses

Refined estimates of time-dependent losses are used, based on AASHTO LRFD Article 5.9.5.4, as opposed to approximate lump sum estimate of losses in AASHTO LRFD Article 5.9.5.3.

The prestress losses shall be calculated to investigate concrete stresses at two different stages.

  1. Temporary stresses immediately after transfer:
  2. Final stresses


SERVICE I and SERVICE III Limit states shall be investigated at each stage.


Harped Strands

Harped strands, although they add to the shear strength of the girder, are primarily used to keep the girder stresses (both top and bottom) within allowable limits while developing the full capacity of the girder at midspan.

Harped strands should be held down at points of 0.4 of the distance from each end of the girder.



Example Harped Strand Layout


The jacking force applied to prestress strands produces an excessive vertical uplift in short spans on tall girders resulting in failure of harped strand hold-downs. The allowable limits for hold-downs are as follows:

  1. 5 kip/strand
  2. 10 kip/bolt
  3. 42 kip/hold-down



Hold-Down Device


If necessary lower harped strand end location to meet criteria or use straight strands only. Investigate the possibility of using all straight strands when strength check of a hold-down device exceeds allowable.

Straight Strands.

Short spans (<40 ft.) are to use straight strands only for all girders greater than 2'-8" tall. Use at least two straight strands at the top of the girder when straight strands are used. Where straight strands only will not work a single hold-down point may be used. Note: A single point hold-down has twice the uplift force.

Strand Arrangement Optimizing

Using all straight strands for girder lengths less than 70 ft. should be investigated for MoDOT Standard Girder Types 6, 7, 8 and all NU Standard Girders in order to reduce risk of strand or hold-down breakage, increase safety by reducing risk of injury during fabrication and reduce cost.

Consider using the same section for all spans. This permits the use of shorter girders in the casting bed with longer girders, even if straight strands are needed, in the top flanges of the girders. They can be placed at either end of the bed and still optimize the usage of the bed.

Consider using the same number of draped strands for all spans and debond where needed. Strand patterns should be similar between long and short spans. For example, the designer should not use a single column of draped strands on the short spans and two columns of draped strands on the long spans. This will prevent optimization of the bed.

Debonding Strands

In all debonding operations the prestressing forces must be in such a manner as to prevent any sudden or shock loading.

Debonding a strand consists of wrapping the unnecessary strand(s) with a polyethylene plastic sleeve that prevents interaction of the strand with the concrete during casting and release which prevents any prestress force transfer.

751.22.2.3 Flexure

Flexure capacity of prestressed I-girders shall be determined as the following.

Flexural resistance at strength limit state

Mr=ϕMnMu

Where:

Mr = Flexural resistance
Mn = Nominal flexural resistance
Mu = Total factored moment from Strength I load combination
ϕ = Flexural resistance factor as calculated in LRFD 5.5.4.2


Negative moment reinforcement design

P/S I-girder shall be designed as a reinforced concrete section at regions of negative flexures (i.e., negative moments).

At least one-third of the total tensile reinforcement provided for negative moment at the support shall have an embedment length beyond the point of inflection not less than the specified development length of the bars used.

Slab longitudinal reinforcement that contributes to making the precast beam continuous over an intermediate bent shall be anchored in regions of the slab that can be shown to be crack-free at strength limit states. This reinforcement anchorage shall be staggered. Regular longitudinal slab reinforcement may be utilized as part of the total longitudinal reinforcement required.


Design A1 bar in the top flange

The reinforcement A1 shall resist the tensile force in a cracked section computed on the basis of an uncracked section.


Required steel area is equal to:


A1=Ttfs


Where:

fs = 0.5fy30KSI, allowable tensile stress of mild steel, (ksi)
Tt = Resultant of total tensile force computed on the basis of an uncracked section, (kips)


Limits for reinforcement

The following criteria shall be considered only at composite stage.

Minimum amount of prestressed and non-prestressed tensile reinforcement shall be such that the factored flexural resistance, Mr, is at least equal to the lesser of:

  • 1.2Mcr, or
  • 1.33Mu

Where:

Mcr = Cracking moment, (kip-in.)
Mu = Total factored moment from Strength I load combination, (kip-in.)

751.22.2.4 Shear

Shear capacity of P/S I-girder should be checked along girder length and girder-slab interface.


Shear resistance at strength limit state

Vr=ϕVnVu

Where:

Vr = Shear resistance
Vn = Nominal shear resistance
Vu = Total factored shear from Strength I load combination
ϕ = Shear resistance factor


Nominal shear resistance

The nominal shear resistance, Vn, shall be lesser of:

  • Vc+Vs+Vp, or
  • 0.25f'cbvdv+Vp


Where:

Vc=0.0316βbvdvf'c


Vs=Avfydv(cotθ+cotα)sinαs


Where:

Vc = Nominal concrete shear resistance, (kips)
Vs = Nominal shear reinforcement resistance, (kips)
Vp = Component of prestressing force in the direction of shear force, (kips)
bv = Thickness of web, (in.)
dv = Effective shear depth taken as the distance measured perpendicular to the neutral axis, between the resultants of tensile and compressive forces due to flexure, (in.)
s = Spacing of shear reinforcement, (in.)
β = Factor indicating ability of diagonally cracked concrete to transmit tension
θ = Angle of inclination of diagonal compressive stress, (degree)
α = 90.0, Angle of inclination of shear reinforcement to a longitudinal axis, (degree)
Av = Area of shear reinforcement, (in.2)
fy = Minimum yield strength of tension shear reinforcement, (ksi)


Design sections near supports

Where a reaction force in the direction of the applied shear introduces compression into the end region of girder, the location of the critical section for shear is measured from the internal face of support a distance, dv. Otherwise, the design section shall be taken at the internal face of the support.


Where:


dv = effective shear depth taken as the distance, measured perpendicular to the neutral axis, between the resultants of the tensile and compressive forces due to flexure; it need not be taken to be less than the greater of 0.9de and 0.72h.


Girder regions requiring shear reinforcement

Girder shear reinforcement, usually consisting of stirrups, shall be provided where:


Vu>0.50ϕ(Vc+Vp)


Where:

Vu = Factored shear force from Strength I load combination, (kips)
Vc = Nominal concrete shear resistance, (kips)
Vp = Component of prestressing force in the direction of shear force, (kips)
ϕ =
=
Shear resistance factor

0.9 for normal weight concrete


Shear Reinforcement Limits


Minimum reinforcement

Area of shear reinforcement shall not be less than:


Av0.0316(bvsfy)f'c


Where:

Av = Area of shear reinforcement, (in.2)
bv = Thickness of web, (in.)
s = Spacing of shear reinforcement, (in.)
f'c = Final concrete compressive strength, (ksi)


Maximum reinforcement

Maximum spacing of shear reinforcement shall be determined as:
If vu<0.125f'c, then smax=0.8dv24.0


If vu0.125f'c, then smax=0.4dv12.0


Where:

dv = Effective shear depth taken as the distance measured perpendicular to the neutral axis, between the resultants of tensile and compressive forces due to flexure, (in.)
vu = Shear stress on concrete, (ksi)
smax = Maximum spacing of shear reinforcement, (in.)


Shear stress on concrete shall be determined as:


vu=VuϕVpϕbvdv


dv=(dea2)largerof{0.9de0.72h


Where:

vu = Shear stress on concrete, (ksi)
Vu = Factored shear from Strength I load combination, (kips)
ϕ =
=
Shear resistance factor

0.9 for normal weight concrete

bv = Thickness of web, (in.)
Vp = Component of prestressing force in the direction of shear force, (kips)
dv = Effective shear depth taken as the distance measured perpendicular to the neutral axis, between the resultants of tensile and compressive forces due to flexure, (in.)
  = MnAsfy+Apsfps
de = Distance from extreme compression fiber to the centroid of tensile force in the tensile reinforcement, (in.)
h = Total height of girder including slab thickness, (in.)


Girder-Slab Interface

The horizontal shear between the girder and slab shall be determined as specified in LRFD 5.8.4.3. The nominal horizontal shear resistance of the interface plane shall be taken as specified in LRFD 5.8.4.1. Minimum interface shear reinforcement shall be provided as specified in LRFD 5.8.4.4. The parameters used in determining the nominal horizontal shear resistance shall be taken as specified for a “cast-in-place concrete slab on clean concrete girder surfaces, free of laitance with surface roughened to an amplitude of 0.25 inch.”

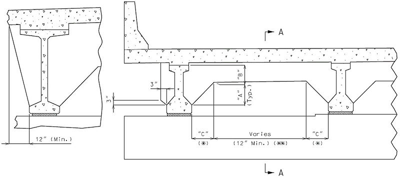
The interface shear shall be resisted by extending and anchoring the vertical shear reinforcement into the slab. If the resistance provided by extending the vertical shear reinforcement is inadequate then additional U-bars may be provided as shown for a MoDOT Standard Girder Type 7 in EPG 751.22.3.6 Girder Reinforcement.

For NU Girders the edges of the top of girder flange are intentionally debonded (see figure below) and shall not be included when determining the nominal horizontal shear resistance. See EPG 751.50 Standard Detailing Notes H2.93 for specifics about the debonded width for NU Girders. Similarly, for all other prestressed girders, the joint filler width supporting precast panels shall be considered debonded and excluded when determining the interface resistance.

NU Girder Debonding Limits

Pretensioned anchorage zones

The bursting resistance of anchorage zones provided by vertical reinforcement (i.e., B2 bars, WWF, G402 bars) in the ends of prestressed girders at the service limit state shall be taken as:


Pr=fsAs0.04Fpo


Where:

fs = Stress in mild steel not exceeding 20 ksi
As = Total area of vertical reinforcement located within a minimum distance of h/4 from the end of the girder where h is overall depth of precast member as shown below.
Fpo = Prestressing force at transfer


MoDOT Standard Girder
Anchorage Zone and Confinement Reinforcement


Confinement reinforcement

Reinforcement (i.e., D1 bars or G301 bars, not shown) shown in the figure above shall be placed to confine the prestressing strands in the bottom flange for a minimum distance of 1.5d from the end of beam.

The reinforcement shall not be less than #3 deformed bar, with spacing not exceeding 6.0 inches and shaped to enclose the strands.

MoDOT extends the use of D1 and G301 bars for the full length of girders.

751.22.2.5 Deformations

Criteria for deflection

For investigating maximum absolute deflection, all design lanes shall be loaded, and all supporting components should be assumed to deflect equally.

For composite design, the design cross-section should include the entire width of the roadway and the structurally continuous portions of railings, sidewalks, and median barriers. Note that safety barrier curbs are usually discontinuous over the bents. For skewed bridges, a right cross-section may be used.

Service I load combination shall be used. Dynamic load allowance shall be applied.


See EPG 751.2.4.2 Live Load Deflection Limits.


Calculation of deflection and camber

Deflection and camber calculations shall consider all internal loads (i.e., prestressing, concrete creep, and shrinkage) and external loads such as dead loads and live loads.


Camber is an upward displacement caused by moment due to prestressing forces. Deflection is a downward displacement due to external loads. Therefore, both camber and deflection shall be considered in making an appropriate adjustment for final profile grade on the bridge.


Initial camber at midspan

Total initial camber at transfer due to self-weight of girder and prestressing forces shall be determined as:


ΔIC=Δg+ΔSS+ΔHS+ΔCR


Where:

ΔIC = Initial camber at transfer
Δg = Deflection due to self-weight of girder
ΔSS = Camber due to prestressing straight strands
ΔHS = Camber due to prestressing harped strands
ΔCR = Camber due to creep


Note: Positive and negative values indicate downward and upward displacements, respectively.


Final camber at midspan

Total deformation can be determined as the sum of initial camber and deflections due to slab, diaphragm, and creep effect before composite action between slab and girder.


ΔT=ΔIC+ΔS+ΔC


Where:

Δc = Deflection due to concentrated loads (haunch, diaphragms)
Δs = Deflection due to weight of slab


Final camber along span length

Deformations along the span length can be approximately determined as a product of final camber at midspan times correction factors.

Δ0.10 = 0.3140 ΔT at span fraction of 0.10
Δ0.20 = 0.5930 ΔT at span fraction of 0.20
Δ0.25 = 0.7125 ΔT at span fraction of 0.25
Δ0.30 = 0.8130 ΔT at span fraction of 0.30
Δ0.40 = 0.9520 ΔT at span fraction of 0.40
Δ0.50 = 1.0000 ΔT at span fraction of 0.50


Calculation of camber (upward)

Camber at midspan due to strand forces is determined as the following: For straight strands,


ΔSS=Δssj+Δssl


Where:   Δssj=F1je1L28EciItri     Δssl=F1le1L28EcItr


Where:

F1j = Total prestressing force of straight strands at transfer (including losses due to elastic shortening), (kips)
F1l = Total prestressing force in straight strands due to losses prior to slab placement (kips). Opposite in sign to F1j, typically.
L = Distance between centerlines of bearing pads, (in.)
Eci = Initial concrete modulus of elasticity based on f'ci, (ksi)
Ec = Final concrete modulus of elasticity based on f'c (ksi)
Itri = Moment of inertia of transformed non-composite section computed based on Eci, (in.4)
Itr = Moment of inertia of transformed non-composite section based on Ec, (in.4)
e1 = Eccentricity between centroid of straight strands (CSS) and center of gravity of transformed non-composite section (CGB) as shown in Figure below, (in.)


For two-point harped strands,


ΔHS=ΔHSj+ΔHSl


Where:   ΔHSj=F2je2L28EciItriF2j(e2+e3)a26EciItri     ΔHSl=F2le2L28EcItrF2l(e2+e3)a26EcItr


a=(Lb)/2


Where:

F2j = Total prestressing force of harped strands at transfer (including loss due to elastic shortening), (kips)
F2l = Total prestressing force of harped strands due to losses prior to slab placement (kips)
b = Length between harped points, (in.)
e2 = Eccentricity between centroid of harped strands (CHS) and center of gravity of transformed non-composite section (CGB) at midspan as shown in Figure below, (in.)
e3 = Eccentricity between centroid of harped strands (CHS) and center of gravity of transformed non-composite section (CGB) at the end of girder as shown in Figure below, (in.)



Details of girder showing distances and eccentricities used in camber calculations


Calculations of deflections (downward)

Deflections at midspan due to dead loads are determined as the following: For self-weight of girder,


Δg=5WgL4384EciItri


Where:

Wg = Uniform load due to self-weight of girder, (kip/in.)


For self-weight of slab,


Δs=5WsL4384EcI'tr


Where:

Ws = Uniform load due to self-weight of slab, (kip/in.)

Weight of additional slab haunch may be treated as uniform or concentrated load as appropriate. Diaphragm weight should be treated as concentrated load.

For one concentrated load at midspan,


Δc=PL348EcI'tr


For two equal concentrated loads,


Δc=Px24EcI'tr(3L24x2)


Where:

P = Concentrated load due to diaphragm and/or additional slab haunch, (kips)
x = Distance from the centerline of bearing pad to the applied load, P, (in.)

Creep coefficient

Research has indicated that high strength concrete (HSC) undergoes less ultimate creep and shrinkage than conventional concrete.

Creep is a time-dependent phenomenon in which deformation increases under a constant stress. Creep coefficient is a ratio of creep strain over elastic strain, and it can be estimated as follows:

Ψ(t,ti) = 1.9kskhckfktdti0.118
ks = 1.450.13(v/s)>=1.0
khc = 1.560.008H
kf = 5/(1+f'ci)
ktd = t/(614f'ci+t)


Where:

Ψ = Creep coefficient.
H = 70, Average annual ambient relative humidity
t = Maturity of concrete, (days)
    Use 90 days for camber design.
ti = Age of concrete when a load is initially applied, (days)
    Use 0.75 days for camber design.
v/s = Volume-to-surface area ratio, (in.)
f'ci = Initial girder concrete compressive strength, (ksi)


ΔCR=(mgF1je1F2je2)ΨL28EciItri

Where:

Mg = Moment due to girder weight at mid span.

751.22.3 Details

751.22.3.1 Reinforcement Criteria

Minimum Concrete Cover

  • 2.0" (Min.) to centerline of strands
  • 1.0" for stirrups


Minimum Radius of Bar Bend in Stirrups

  1. 3 through #5 bars = 4.0 x Bar Diameter.


Minimum Spacing of Reinforcement Bars For precast concrete, the clear distance between parallel bars in a layer shall not be lesser than:

  • Nominal Diameter of bar
  • 1.33 x Maximum Aggregate Size
  • 1.0"


Minimum Spacing of Prestressing Strands Spacing between each pretressing strand shall not be less than the larger of:

  • A clear distance of 1.33 x Maximum Aggregate Size
  • Center-to-center spacing of 2" for 0.6" strand diameter
  • Center-to-center spacing of 1.75" for 0.5" strand diameter

751.22.3.2 MoDOT Standard Girders

751.22.3.2.1 Beam Type 2 Dimensions/Strand Arrangements


GIRDERS 2A THRU 2C

A = 310.9 SQ. IN.
Yb = 14.08 IN.
I = 33,974 IN.4

GIRDER 2A

(11 STRANDS)

GIRDER 2B

(12 STRANDS)



GIRDERS 2C
(14 STRANDS)

 
NOTE: Investigate the possibility of using all straight strands when strength check of a hold-down device exceeds allowable.
All strand arrangements shown on this page have straight strands only.

Strand arrangements other than those shown may be investigated by the designer.



A = 310.9 SQ. IN.

Yb = 14.08 IN.
I = 33,974 IN.4

GROUP I



 
GROUP II
Numbers shown on girders
relate to strand locations.


ATTENTION: Location of harped strands shown in top flange are at end of girder and harped strands in bottom flange are at centerline.


If the web thickness is required to be increased, then the top and bottom flanges are to be increased by the same amount. (1" increments, 2" max.)

751.22.3.2.2 Beam Type 3 Dimensions/Strand Arrangements


GIRDERS 3A THRU 3B

A = 381.9 SQ. IN.
Yb = 17.08 IN.
I = 61,841 IN.4

GIRDER 3A

(11 STRANDS)

GIRDER 3B

(12 STRANDS)



Note: Investigate the possibility of using all straight strands when strength check of a hold-down device exceeds allowable.
All strand arrangements shown on this page have straight strands only.

Strand arrangements other than those shown may be investigated by the designer.



A = 381.9 SQ. IN.

Yb = 17.08 IN.
I = 61,841 IN.4

GROUP I

 
GROUP II
Numbers shown on girders
relate to strand locations.


ATTENTION: Location of harped strands shown in top flange are at end of girder and harped strands in bottom flange are at centerline.

If the web thickness is required to be increased, then the top and bottom flanges are to be increased by the same amount. (1" increments, 2" max.)

751.22.3.2.3 Beam Type 4 Dimensions/Strand Arrangements


GIRDERS 4A THRU 4C

A = 428.9 SQ. IN.
Yb = 19.54 IN.
I = 92,450 IN.4

GIRDER 4A

(10 STRANDS)

GIRDER 4B

(11 STRANDS)



GIRDERS 4C
(13 STRANDS)

 
NOTE: Investigate the possibility of using all straight strands when strength check of a hold-down device exceeds allowable.
All strand arrangements shown on this page have straight strands only.

Strand arrangements other than those shown may be investigated by the designer.



A = 428.9 SQ. IN.

Yb = 19.54 IN.
I = 92,450 IN.4

GROUP I



 
GROUP II
Numbers shown on girders
relate to strand locations.


ATTENTION: Location of harped strands shown in top flange are at end of girder and harped strands in bottom flange are at centerline.


If the web thickness is required to be increased, then the top and bottom flanges are to be increased by the same amount. (1" increments, 2" max.)

751.22.3.2.4 Beam Type 6 Dimensions/Strand Arrangements

 
A = 643.6 Sq. In.
Yb = 25.92 In.
I = 235,735 In.4



 

GROUP I

Numbers shown on girders
relate to strand locations.


ATTENTION: Location of harped strands shown in top flange are at end of girder and harped strands in bottom flange are at centerline.

If the web thickness is required to be increased, then the top and bottom flanges are to be increased by the same amount. (1" increments, 2" max.)

751.22.3.2.5 Beam Type 7 Dimensions/Strand Arrangements

 
A = 787.4 Sq. In.
Yb = 37.58 In.
I = 571,047 In.4



 

GROUP I

Numbers shown on girders
relate to strand locations.


ATTENTION: Location of harped strands shown in top flange are at end of girder and harped strands in bottom flange are at centerline.

751.22.3.3 NU Standard Girders

NU Girder Dimensions/Strand Arrangements
* Strands shall be placed on outer edge to help place confinement steel
Note: Strand arrangements shall start at the bottom row and then move up for the most efficient design.

751.22.3.4 Beam Section Properties Tables - Conventional Concrete Strength

The properties of prestressed I-girders in the following tables are valid for f'ci = 4.5 ksi and f'c = 6 ksi. The modular ratio , n, is 8 for the initial moment of inertia, Iinitial, and 7 for the final moment of inertia, Ifinal.

Note: Moments of inertia, Iinitial and Ifinal are computed based on transformed non-composite section and are used in camber calculations.

Definitions used in tables are:

Section Area = Gross area of girder, (in.2)
Section Yb = Distance from bottom of girder to center of gravity of non-transformed non-composite section, (in.)
Inontransformed = Moment of inertia of non-transformed non-composite section, (in.4)
Depth = Height of girder, (in.)
Strand size = Strand diameter, (in.)
e1* = Eccentricity between centroid of straight strands (CSS) and center of gravity of non-transformed non-composite section (CGB) as shown in figure below, (in.)
e2* = Eccentricity between centroid of harped strands (CHS) and center of gravity of non-transformed non-composite section (CGB) at midspan as shown in figure below, (in.)
e3* = Eccentricity between centroid of harped strands (CHS) and center of gravity of non-transformed non-composite section (CGB) at the end of girder as shown in figure below, (in.)


* A more accurate value can be used based on transformed non-composite section. The final camber calculation will not be significantly different using values between transformed and non-transformed sections.



Steps for detailing strand patterns from Prestressed Beam Tables

  1. For strand locations at mid-span of girder: Look up the "Total Number of Strands" value for the corresponding strand pattern number. The strands will then be located at that number and all numbers below that number. Ex. For 14 total strands, the strands will be placed at all locations numbered ≤14.
  2. For harped strand locations at end of girder: Look up the "Number of Harped Strands" value for the corresponding strand pattern number. The strands will then be located at that number and all numbers below that number. Ex. For 6 harped strands, the strands will be placed at all locations numbered ≤6.


GROUP I



Section Properties
Beam Type 2 -- 6" Web


Section Area = 310.9 in2  
NOTE: # = strand pattern number
  T = total number of strands
  H = number of harped strands
  S = number of straight strands
Section Yb = 14.08 in
Inontransformed = 33,974 in4
Depth= 32 in
Strand Size= ½ in
f'ci = 4.5 ksi
f'c = 6 ksi


                Iinitial Ifinal
  # T H S e1 e2 e3 A1 Bars
2-#5
A1 Bars
2-#6
A1 Bars
2-#5
A1 Bars,
2-#6
Group 1 8 4 4 11.08 11.08 13.92 36,147 36,627 35,837 36,248
I 2 10 4 6 11.41 11.08 13.92 36,453 36,938 36,100 36,515
  3 12 6 6 11.41 10.08 12.92 36,587 37,075 36,215 36,632
  4 14 6 8 11.08 10.08 12.92 36,794 37,286 36,394 36,814
  5 16 8 8 11.08 9.08 11.92 36,866 37,360 36,456 36,878
  6 18 8 10 10.48 9.08 11.92 36,994 37,491 36,568 36,992
Group 7 8 2 6 11.41 10.08 14.92 36,147 36,627 35,837 36,248
II 8 10 2 8 11.58 10.08 14.92 36,453 36,938 36,100 36,515
  9 12 4 8 11.08 11.08 13.92 36,663 37,151 36,280 36,698
  10 14 4 10 11.28 9.08 13.92 36,794 37,286 36,394 36,814
  11 16 6 10 11.28 8.08 12.92 36,866 37,360 36,456 36,878
  12 18 6 12 10.75 8.08 12.92 36,994 37,491 36,568 36,992
  13 20 6 14 10.65 6.08 12.92 37,024 37,522 36,594 37,019


Section Properties
Beam Type 2 -- 7" Web


Section Area = 342.9 in2  
NOTE: # = strand pattern number
  T = total number of strands
  H = number of harped strands
  S = number of straight strands
Section Yb = 14.26 in
Inontransformed = 36,812 in4
Depth= 32 in
Strand Size= ½ in
f'ci = 4.5 ksi
f'c = 6 ksi


                Iinitial Ifinal
  # T H S e1 e2 e3 A1 Bars
2-#5
A1 Bars
2-#6
A1 Bars
2-#5
A1 Bars
2-#6
Group 1 8 4 4 11.26 11.26 13.74 38,994 39,464 38,683 39,085
I 2 10 4 6 11.59 11.26 13.74 39,310 39,784 38,954 39,360
  3 12 6 6 11.59 10.26 12.74 39,450 39,927 39,075 39,482
  4 14 6 8 11.26 10.26 12.74 39,666 40,146 39,261 39,671
  5 16 8 8 11.26 9.26 11.74 39,742 40,225 39,327 39,739
  6 18 8 10 10.66 9.26 11.74 39,877 40,363 39,444 39,858
Group 7 8 2 6 11.59 10.26 14.74 38,994 39,464 38,683 39,085
II 8 10 2 8 11.76 10.26 14.74 39,310 39,784 38,954 39,360
  9 12 4 8 11.26 11.26 13.74 39,528 40,005 39,142 39,550
  10 14 4 10 11.46 9.26 13.74 39,666 40,146 39,261 39,671
  11 16 6 10 11.46 8.26 12.74 39,742 40,225 39,327 39,739
  12 18 6 12 10.93 8.26 12.74 39,877 40,363 39,444 39,858
  13 20 6 14 10.83 6.26 12.74 39,910 39,473 39,473 39,888


Section Properties
Beam Type 2 -- 8" Web


Section Area = 374.9 in2  
NOTE: # = strand pattern number
  T = total number of strands
  H = number of harped strands
  S = number of straight strands
Section Yb = 14.41 in
Inontransformed = 39,632 in4
Depth= 32 in
Strand Size= ½ in
f'ci = 4.5 ksi
f'c = 6 ksi


                Iinitial Ifinal
  # T H S e1 e2 e3 A1 Bars
2-#5
A1 Bars
2-#6
A1 Bars
2-#5
A1 Bars
2-#6
Group 1 8 4 4 11.41 11.41 13.59 41,823 42,283 41,510 41,905
I 2 10 4 6 11.74 11.41 13.59 42,147 42,611 41,789 42,186
  3 12 6 6 11.74 10.41 12.59 42,292 42,760 41,914 42,313
  4 14 6 8 11.41 10.41 12.59 42,515 42,985 42,106 42,508
  5 16 8 8 11.41 9.41 11.59 42,596 43,068 42,176 42,579
  6 18 8 10 10.81 9.41 11.59 42,737 43,212 42,298 42,703
Group 7 8 2 6 11.74 10.41 14.59 41,823 42,283 41,510 41,905
II 8 10 2 8 11.91 10.41 14.59 42,147 42,611 41,789 42,186
  9 12 4 8 11.41 11.41 13.59 42,371 42,839 41,982 42,382
  10 14 4 10 11.61 9.41 13.59 42,515 42,985 42,106 42,508
  11 16 6 10 11.61 8.41 12.59 42,596 43,068 42,176 42,579
  12 18 6 12 11.08 8.41 12.59 42,737 43,212 42,298 42,703
  13 20 6 14 10.98 6.41 12.59 42,772 43,249 42,329 42,736


Section Properties
Beam Type 3 -- 6" Web

Section Area = 381.9 in2  
NOTE: # = strand pattern number
  T = total number of strands
  H = number of harped strands
  S = number of straight strands
Section Yb = 17.08 in
Inontransformed = 61,841 in4
Depth= 39 in
Strand Size= ½ in
f'ci = 4.5 ksi
f'c = 6 ksi


Cont.               Iinitial Ifinal
Span # T H S e1 e2 e3 A1 Bars
2-#5
A1 Bars
2-#6
A1 Bars
2-#5
A1 Bars
2-#6
Group 1 8 4 4 13.08 14.08 17.92 65,179 65,930 64,702 65,346
I 2 10 4 6 13.75 14.08 17.92 65,659 66,415 65,114 65,762
  3 12 4 8 13.58 14.08 17.92 66,014 66,776 65,421 66,072
  4 14 6 8 13.58 13.08 16.92 66,265 67,032 65,637 66,292
  5 16 6 10 13.48 13.08 16.92 66,614 67,386 65,938 66,597
  6 18 8 10 13.48 12.08 15.92 66,776 67,552 66,079 66,740
  7 20 8 12 13.08 12.08 15.92 67,020 67,799 66,290 66,954
  8 22 8 14 12.51 12.08 15.92 67,178 67,961 66,427 67,095
  9 24 10 14 12.51 11.08 14.92 67,270 68,056 66,508 67,177
Group 10 8 2 6 13.75 13.08 18.92 65,179 65,930 64,702 65,346
II 11 10 2 8 14.08 13.08 18.92 65,659 66,415 65,114 65,762
  12 12 2 10 13.88 13.08 18.92 66,014 66,776 65,421 66,072
  13 14 4 10 13.48 14.08 17.92 66,366 67,134 65,724 66,379
  14 16 4 12 13.75 12.08 17.92 66,614 67,386 65,938 66,597
  15 18 6 12 13.75 11.08 16.92 66,776 67,552 66,079 66,740
  16 20 6 14 13.37 11.08 16.92 67,020 67,799 66,290 66,954
  17 22 6 16 12.83 11.08 16.92 67,178 67,961 66,427 67,095
  18 24 8 16 12.83 10.08 15.92 67,270 68,056 66,508 67,177


Section Properties
Beam Type 3 -- 7" Web

Section Area = 420.9 in2  
NOTE: # = strand pattern number
  T = total number of strands
  H = number of harped strands
  S = number of straight strands
Section Yb = 17.31 in
Inontransformed = 66,991 in4
Depth= 39 in
Strand Size= ½ in
f'ci = 4.5 ksi
f'c = 6 ksi


Cont.               Iinitial Ifinal
Span # T H S e1 e2 e3 A1 Bars
2-#5
A1 Bars
2-#6
A1 Bars
2-#5
A1 Bars
2-#6
Group 1 8 4 4 13.31 14.31 17.69 70,343 71,077 69,865 70,493
I 2 10 4 6 13.98 14.31 17.69 70,838 71,577 70,289 70,922
  3 12 4 8 13.81 14.31 17.69 71,207 71,951 70,607 71,243
  4 14 6 8 13.81 13.31 16.69 71,469 72,218 70,833 71,473
  5 16 6 10 13.71 13.31 16.69 71,832 72,585 71,146 71,789
  6 18 8 10 13.71 12.31 15.69 72,004 72,760 71,295 71,940
  7 20 8 12 13.31 12.31 15.69 72,259 73,019 71,516 72,164
  8 22 8 14 12.74 12.31 15.69 72,427 73,190 71,662 72,312
  9 24 10 14 12.74 11.31 14.69 72,526 73,292 71,749 72,401
Group 10 8 2 6 13.98 13.31 18.69 70,343 71,077 69,865 70,493
II 11 10 2 8 14.31 13.31 18.69 70,838 71,577 70,289 70,922
  12 12 2 10 14.11 13.31 18.69 71,207 71,951 70,607 71,243
  13 14 4 10 13.71 14.31 17.69 71,572 72,322 70,922 71,562
  14 16 4 12 13.98 12.31 17.69 71,832 72,585 71,146 71,789
  15 18 6 12 13.98 11.31 16.69 72,004 72,760 71,295 71,940
  16 20 6 14 13.60 11.31 16.69 72,259 73,019 71,516 72,164
  17 22 6 16 13.06 11.31 16.69 72,427 73,190 71,662 72,312
  18 24 8 16 13.06 10.31 15.69 72,526 73,292 71,749 72,401


Section Properties
Beam Type 3 -- 8" Web

Section Area = 459.9 in2  
NOTE: # = strand pattern number
  T = total number of strands
  H = number of harped strands
  S = number of straight strands
Section Yb = 17.49 in
Inontransformed = 72,106 in4
Depth= 39 in
Strand Size= ½ in
f'ci = 4.5 ksi
f'c = 6 ksi


Cont.               Iinitial Ifinal
Span # T H S e1 e2 e3 A1 Bars
2-#5
A1 Bars
2-#6
A1 Bars
2-#5
A1 Bars
2-#6
Group 1 8 4 4 13.49 14.49 17.51 75,470 76,191 74,990 75,607
I 2 10 4 6 14.16 14.49 17.51 75,977 76,703 75,425 76,046
  3 12 4 8 13.99 14.49 17.51 76,357 77,087 75,752 76,376
  4 14 6 8 13.99 13.49 16.51 76,628 77,363 75,986 76,613
  5 16 6 10 13.89 13.49 16.51 77,002 77,740 76,308 76,939
  6 18 8 10 13.89 12.49 15.51 77,182 77,923 76,464 77,096
  7 20 8 12 13.49 12.49 15.51 77,446 78,191 76,692 77,328
  8 22 8 14 12.92 12.49 15.51 77,622 78,370 76,845 77,483
  9 24 10 14 12.92 11.49 14.51 77,728 78,479 76,938 77,577
Group 10 8 2 6 14.16 13.49 18.51 75,470 76,191 74,990 75,607
II 11 10 2 8 14.49 13.49 18.51 75,977 76,703 75,425 76,046
  12 12 2 10 14.29 13.49 18.51 76,357 77,087 75,752 76,376
  13 14 4 10 13.89 14.49 17.51 76,733 77,468 76,076 76,704
  14 16 4 12 14.16 12.49 17.51 77,002 77,740 76,308 76,939
  15 18 6 12 14.16 11.49 16.51 77,182 77,923 76,464 77,096
  16 20 6 14 13.78 11.49 16.51 77,446 78,191 76,692 77,328
  17 22 6 16 13.24 11.49 16.51 77,622 78,370 76,845 77,483
  18 24 8 16 13.24 10.49 15.51 77,728 78,479 76,938 77,577


Section Properties
Beam Type 4 -- 6" Web

Section Area = 428.9 in2  
NOTE: # = strand pattern number
  T = total number of strands
  H = number of harped strands
  S = number of straight strands
Section Yb = 19.54 in
Inontransformed = 92,450 in4
Depth= 45 in
Strand Size= ½ in
f'ci = 4.5 ksi
f'c = 6 ksi


Cont.               Iinitial Ifinal
Span # T H S e1 e2 e3 A1 Bars
2-#5
A1 Bars
2-#6
A1 Bars
2-#5
A1 Bars
2-#6
Group 1 8 4 4 15.54 16.54 21.46 97,077 98,118 96,416 97,308
I 2 10 4 6 16.21 16.54 21.46 97,727 98,775 96,974 97,872
  3 12 4 8 16.04 16.54 21.46 98,231 99,286 97,408 98,310
  4 14 6 8 16.04 15.54 20.46 98,608 99,669 97,733 98,640
  5 16 6 10 15.94 15.54 20.46 99,103 100,170 98,160 99,071
  6 18 8 10 15.94 14.54 19.46 99,368 100,441 98,390 99,305
  7 20 8 12 15.54 14.54 19.46 99,735 100,813 98,707 99,626
  8 22 8 14 14.97 14.54 19.46 99,995 101,078 98,933 99,856
  9 24 8 16 15.29 12.54 19.46 100,168 101,254 99,083 100,009
  10 26 10 16 15.29 11.54 18.46 100,271 101,360 99,174 100,102
  11 28 10 18 15.32 9.54 18.46 100,323 101,414 99,220 100,149
Group 12 8 2 6 16.21 15.54 22.46 97,077 98,118 96,416 97,308
II 13 10 2 8 16.54 15.54 22.46 97,727 98,775 96,974 97,872
  14 12 4 8 16.04 16.54 21.46 98,231 99,286 97,408 98,310
  15 14 4 10 15.94 16.54 21.46 98,730 99,792 97,838 98,745
  16 16 4 12 16.21 14.54 21.46 99,103 100,170 98,160 99,071
  17 16 6 10 15.94 15.54 20.46 99,103 100,170 98,160 99,071
  18 18 6 12 16.21 13.54 20.46 99,368 100,441 98,390 99,305
  19 20 6 14 15.83 13.54 20.46 99,735 100,813 98,707 99,626
  20 22 6 16 15.29 13.54 20.46 99,995 101,078 98,933 99,856
  21 24 6 18 15.32 11.54 20.46 100,168 101,254 99,083 100,009
  22 26 6 20 15.14 9.54 20.46 100,271 101,360 99,174 100,102
  23 26 8 18 15.32 10.54 19.46 100,271 101,360 99,174 100,102
  24 28 6 22 14.81 7.54 20.46 100,323 101,414 99,220 100,149
  25 28 8 20 15.14 8.54 19.46 100,323 101,414 99,220 100,149
  26 30 8 22 14.81 6.54 19.46 100,341 101,433 99,236 100,166
  27 32 8 24 14.37 4.54 19.46 100,342 101,435 99,238 100,168


Section Properties
Beam Type 4 -- 7" Web

Section Area = 473.9 in2  
NOTE: # = strand pattern number
  T = total number of strands
  H = number of harped strands
  S = number of straight strands
Section Yb = 19.82 in
Inontransformed = 100,400 in4
Depth= 45 in
Strand Size= ½ in
f'ci = 4.5 ksi
f'c = 6 ksi


Cont.               Iinitial Ifinal
Span # T H S e1 e2 e3 A1 Bars
2-#5
A1 Bars
2-#6
A1 Bars
2-#5
A1 Bars
2-#6
Group 1 8 4 4 15.82 16.82 21.18 105,048 106,065 104,384 105,256
I 2 10 4 6 16.49 16.82 21.18 105,719 106,743 104,960 105,837
  3 12 4 8 16.32 16.82 21.18 106,242 107,272 105,410 106,291
  4 14 6 8 16.32 15.82 20.18 106,636 107,671 105,750 106,635
  5 16 6 10 16.22 15.82 20.18 107,151 108,192 106,193 107,083
  6 18 8 10 16.22 14.82 19.18 107,431 108,476 106,436 107,328
  7 20 8 12 15.82 14.82 19.18 107,815 108,866 106,768 107,664
  8 22 8 14 15.25 14.82 19.18 108,090 109,145 107,007 107,906
  9 24 8 16 15.57 12.82 19.18 108,275 109,334 107,168 108,070
  10 26 10 16 15.57 11.82 18.18 108,388 109,449 107,266 108,171
  11 28 10 18 15.60 9.82 18.18 108,446 109,510 107,318 108,224
Group 12 8 2 6 16.49 15.82 22.18 105,048 106,065 104,384 105,256
II 13 10 2 8 16.82 15.82 22.18 105,719 106,743 104,960 105,837
  14 12 4 8 16.32 16.82 21.18 106,242 107,272 105,410 106,291
  15 14 4 10 16.22 16.82 21.18 106,760 107,796 105,857 106,742
  16 16 4 12 16.49 14.82 21.18 107,151 108,192 106,193 107,083
  17 16 6 10 16.22 15.82 20.18 107,151 108,192 106,193 107,083
  18 18 6 12 16.49 13.82 20.18 107,431 108,476 106,436 107,328
  19 20 6 14 16.11 13.82 20.18 107,815 108,866 106,768 107,664
  20 22 6 16 15.57 13.82 20.18 108,090 109,145 107,007 107,906
  21 24 6 18 15.60 11.82 20.18 108,275 109,334 107,168 108,070
  22 26 6 20 15.42 9.82 20.18 108,388 109,449 107,266 108,171
  23 26 8 18 15.60 10.82 19.18 108,388 109,449 107,266 108,171
  24 28 6 22 15.09 7.82 20.18 108,446 109,510 107,318 108,224
  25 28 8 20 15.42 8.82 19.18 108,446 109,510 107,318 108,224
  26 30 8 22 15.09 6.82 19.18 108,469 109,533 107,338 108,245
  27 32 8 24 14.65 4.82 19.18 108,472 109,537 107,341 108,248


Section Properties
Beam Type 4 -- 8" Web

Section Area = 518.9 in2  
NOTE: # = strand pattern number
  T = total number of strands
  H = number of harped strands
  S = number of straight strands
Section Yb = 20.06 in
Inontransformed = 108,288 in4
Depth= 45 in
Strand Size= ½ in
f'ci = 4.5 ksi
f'c = 6 ksi


Cont.               Iinitial Ifinal
Span # T H S e1 e2 e3 A1 Bars
2-#5
A1 Bars
2-#6
A1 Bars
2-#5
A1 Bars
2-#6
Group 1 8 4 4 16.06 17.06 20.94 112,955 113,952 112,289 113,143
I 2 10 4 6 16.73 17.06 20.94 113,645 114,648 112,881 113,739
  3 12 4 8 16.56 17.06 20.94 114,185 115,193 113,345 114,208
  4 14 6 8 16.56 16.06 19.94 114,594 115,607 113,698 114,563
  5 16 6 10 16.46 16.06 19.94 115,126 116,144 114,156 115,026
  6 18 8 10 16.46 15.06 18.94 115,419 116,442 114,409 115,282
  7 20 8 12 16.06 15.06 18.94 115,818 116,846 114,755 115,631
  8 22 8 14 15.49 15.06 18.94 116,107 117,138 115,004 115,884
  9 24 8 16 15.81 13.06 18.94 116,303 117,337 115,175 116,057
  10 26 10 16 15.81 12.06 17.94 116,424 117,461 115,281 116,165
  11 28 10 18 15.84 10.06 17.94 116,489 117,528 115,338 116,223
Group 12 8 2 6 16.73 16.06 21.94 112,955 113,952 112,289 113,143
II 13 10 2 8 17.06 16.06 21.94 113,645 114,648 112,881 113,739
  14 12 4 8 16.56 17.06 20.94 114,185 115,193 113,345 114,208
  15 14 4 10 16.46 17.06 20.94 114,720 115,734 113,806 114,673
  16 16 4 12 16.73 15.06 20.94 115,126 116,144 114,156 115,026
  17 16 6 10 16.46 16.06 19.94 115,126 116,144 114,156 115,026
  18 18 6 12 16.73 14.06 19.94 115,419 116,442 114,409 115,282
  19 20 6 14 16.35 14.06 19.94 115,818 116,846 114,755 115,631
  20 22 6 16 15.81 14.06 19.94 116,107 117,138 115,004 115,884
  21 24 6 18 15.84 12.06 19.94 116,303 117,337 115,175 116,057
  22 26 6 20 15.66 10.06 19.94 116,424 117,461 115,281 116,165
  23 26 8 18 15.84 11.06 18.94 116,424 117,461 115,281 116,165
  24 28 6 22 15.33 8.06 19.94 116,489 117,528 115,338 116,223
  25 28 8 20 15.66 9.06 18.94 116,489 117,528 115,338 116,223
  26 30 8 22 15.33 7.06 18.94 116,515 117,555 115,361 116,247
  27 32 8 24 14.89 5.06 18.94 116,520 117,560 115,366 116,252


Section Properties
Beam Type 6 -- 6.5" Web

Section Area = 643.6 in2  
NOTE: # = strand pattern number
  T = total number of strands
  H = number of harped strands
  S = number of straight strands
Section Yb = 25.92 in
Inontransformed = 235,735 in4
Depth= 54 in
Strand Size= ½ in
f'ci = 4.5 ksi
f'c = 6 ksi


                Iinitial Ifinal
  # T H S e1 e2 e3 A1 Bars
2-#6
A1 Bars
2-#6
Group 1 14 4 10 23.52 22.92 23.08 248,115 246,353
I 2 16 4 12 23.25 22.92 23.08 249,115 247,213
  3 18 6 12 23.25 21.92 22.08 249,933 247,918
  4 20 6 14 23.06 21.92 22.08 250,920 248,769
  5 22 6 16 22.92 21.92 22.08 251,901 249,616
  6 24 8 16 22.92 20.92 21.08 252,545 250,173
  7 26 8 18 22.59 20.92 21.08 253,342 250,862
  8 28 8 20 22.32 20.92 21.08 254,133 251,547
  9 30 10 20 22.32 19.92 20.08 254,626 251,975
  10 32 10 22 22.10 19.92 20.08 255,408 252,653
  11 34 10 24 21.75 19.92 20.08 256,032 253,195
  12 36 10 26 21.46 19.92 20.08 256,651 253,734
  13 38 12 26 21.46 18.92 19.08 257,011 254,048


Section Properties
Beam Type 6 -- 7.5" Web

Section Area = 697.6 in2  
NOTE: # = strand pattern number
  T = total number of strands
  H = number of harped strands
  S = number of straight strands
Section Yb = 26.00 in
Inontransformed = 248,915 in4
Depth= 54 in
Strand Size= ½ in
f'ci = 4.5 ksi
f'c = 6 ksi


                Iinitial Ifinal
  # T H S e1 e2 e3 A1 Bars
2-#6
A1 Bars
2-#6
Group 1 14 4 10 23.60 23.00 23.00 262,852 260,864
I 2 16 4 12 23.33 23.00 23.00 263,868 261,737
  3 18 6 12 23.33 22.00 22.00 264,701 262,454
  4 20 6 14 23.14 22.00 22.00 265,707 263,319
  5 22 6 16 23.00 22.00 22.00 266,706 264,180
  6 24 8 16 23.00 21.00 21.00 267,365 264,749
  7 26 8 18 22.67 21.00 21.00 268,178 265,452
  8 28 8 20 22.40 21.00 21.00 268,987 266,150
  9 30 10 20 22.40 20.00 20.00 269,493 266,589
  10 32 10 22 22.18 20.00 20.00 270,294 267,282
  11 34 10 24 21.83 20.00 20.00 270,933 267,836
  12 36 10 26 21.54 20.00 20.00 271,569 268,387
  13 38 12 26 21.54 19.00 19.00 271,941 268,712


Section Properties
Beam Type 6 -- 8.5" Web

Section Area = 751.6 in2  
NOTE: # = strand pattern number
  T = total number of strands
  H = number of harped strands
  S = number of straight strands
Section Yb = 26.07 in
Inontransformed = 262,087 in4
Depth= 54 in
Strand Size= ½ in
f'ci = 4.5 ksi
f'c = 6 ksi


                Iinitial Ifinal
  # T H S e1 e2 e3 A1 Bars
2-#6
A1 Bars
2-#6
Group 1 14 4 10 23.67 23.07 22.93 276,043 274,052
I 2 16 4 12 23.40 23.07 22.93 277,068 274,932
  3 18 6 12 23.40 22.07 21.93 277,908 275,656
  4 20 6 14 23.21 22.07 21.93 278,922 276,528
  5 22 6 16 23.07 22.07 21.93 279,930 277,396
  6 24 8 16 23.07 21.07 20.93 280,596 277,971
  7 26 8 18 22.74 21.07 20.93 281,418 278,680
  8 28 8 20 22.47 21.07 20.93 282,236 279,386
  9 30 10 20 22.47 20.07 19.93 282,750 279,831
  10 32 10 22 22.25 20.07 19.93 283,559 280,531
  11 34 10 24 21.90 20.07 19.93 284,207 281,093
  12 36 10 26 21.61 20.07 19.93 284,851 281,651
  13 38 12 26 21.61 19.07 18.93 285,230 281,981

Section Properties
Beam Type 7 -- 6" Web
Bulb Tee Girder

Section Area = 787.4 in2  
NOTE: # = strand pattern number
  T = total number of strands
  H = number of harped strands
  S = number of straight strands
Section Yb = 37.58 in
Inontransformed = 571,047 in4
Depth= 72.5 in
Strand Size= ½ in
f'ci = 4.5 ksi
f'c = 6 ksi


Cont.               Iinitial Ifinal
Span # T H S e1 e2 e3 A1 Bars
4-#6
A1 Bars
4-#6
Group 1 14 4 10 35.58 34.58 29.92 603,636 598,983
I 2 16 4 12 35.25 34.58 29.92 606,025 601,033
  3 18 6 12 35.25 33.58 28.92 608,125 602,838
  4 20 6 14 35.01 33.58 28.92 610,490 604,871
  5 22 6 16 34.83 33.58 28.92 612,843 606,895
  6 24 8 16 34.83 32.58 27.92 614,652 608,453
  7 26 8 18 34.69 32.58 27.92 616,981 610,459
  8 28 8 20 34.58 32.58 27.92 619,299 612,457
  9 30 10 20 34.58 31.58 26.92 620,839 613,788
  10 32 10 22 34.31 31.58 26.92 622,864 615,536
  11 34 10 24 34.08 31.58 26.92 624,878 617,276
  12 36 10 26 33.89 31.58 26.92 626,881 619,009
  13 38 10 28 33.58 31.58 26.92 628,622 620,517
  14 40 12 28 33.58 30.58 25.92 629,902 621,627

751.22.3.5 Beam Section Properties Tables - Higher Concrete Strength

The properties of prestressed I-girders in the following tables are valid for f'ci = 5 ksi and f'c = 7 ksi. The modular ratio , n, is 7 for the initial moment of inertia, Iinitial, and 6 for the final moment of inertia, Ifinal.

Note: Moments of inertia, Iinitial and Ifinal are computed based on transformed non-composite section and are used in camber calculations. A1 Bar locations are assumed at 3" from the top of girder.

Definitions used in tables are:

Section Area = Gross area of girder, (in.2)
Section Yb = Distance from bottom of girder to center of gravity of non-transformed non-composite section, (in.)
Inontransformed = Moment of inertia of non-transformed non-composite section, (in.4)
Depth = Height of girder, (in.)
Strand size = Strand diameter, (in.)
e1* = Eccentricity between centroid of straight strands (CSS) and center of gravity of non-transformed non-composite section (CGB) as shown in figure below, (in.)
e2* = Eccentricity between centroid of harped strands (CHS) and center of gravity of non-transformed non-composite section (CGB) at midspan as shown in figure below, (in.)
e3* = Eccentricity between centroid of harped strands (CHS) and center of gravity of non-transformed non-composite section (CGB) at the end of girder as shown in figure below, (in.)


* A more accurate value can be used based on transformed non-composite section. The final camber calculation will not be significantly different using values between transformed and non-transformed sections.



Steps for detailing strand patterns from Prestressed Beam Tables

  1. For strand locations at mid-span of girder: Look up the "Total Number of Strands" value for the corresponding strand pattern number. The strands will then be located at that number and all numbers below that number. Ex. For 14 total strands, the strands will be placed at all locations numbered ≤14.
  2. For harped strand locations at end of girder: Look up the "Number of Harped Strands" value for the corresponding strand pattern number. The strands will then be located at that number and all numbers below that number. Ex. For 6 harped strands, the strands will be placed at all locations numbered ≤6.


GROUP I



Section Properties
Beam Type 2 -- 6" Web


Section Area = 310.9 in2  
NOTE: # = strand pattern number
  T = total number of strands
  H = number of harped strands
  S = number of straight strands
Section Yb = 14.08 in
Inontransformed = 33,974 in4
Depth= 32 in
Strand Size= 0.6 in
f'ci = 5 ksi
f'c = 7 ksi


                Iinitial Ifinal
  # T H S e1 e2 e3 A1 Bars
2-#5
A1 Bars
2-#6
A1 Bars
2-#5
A1 Bars,
2-#6
Group 1 8 4 4 11.08 11.08 13.92 36,407 36,838 36,062 36,429
I 2 10 4 6 11.41 11.08 13.92 36,828 37,265 36,424 36,797
  3 12 6 6 11.41 10.08 12.92 36,983 37,424 36,559 36,935
  4 14 6 8 11.08 10.08 12.92 37,265 37,711 36,804 37,183
  5 16 8 8 11.08 9.08 11.92 37,304 37,753 36,839 37,221
  6 18 8 10 10.48 9.08 11.92 37,465 37,917 36,980 37,364
Group 7 8 2 6 11.41 10.08 14.92 36,407 36,837 36,061 36,429
II 8 10 2 8 11.58 10.08 14.92 36,829 37,265 36,425 36,797
  9 12 4 8 11.08 11.08 13.92 37,112 37,553 36,670 37,046
  10 14 4 10 11.28 9.08 13.92 37,265 37,711 36,804 37,183
  11 16 6 10 11.28 8.08 12.92 37,304 37,753 36,839 37,221
  12 18 6 12 10.75 8.08 12.92 37,466 37,918 36,981 37,365
  13 20 6 14 10.65 6.08 12.92 37,409 37,864 36,934 37,320


Section Properties
Beam Type 2 -- 7" Web


Section Area = 342.9 in2  
NOTE: # = strand pattern number
  T = total number of strands
  H = number of harped strands
  S = number of straight strands
Section Yb = 14.26 in
Inontransformed = 36,812 in4
Depth= 32 in
Strand Size= 0.6 in
f'ci = 5 ksi
f'c = 7 ksi


                Iinitial Ifinal
  # T H S e1 e2 e3 A1 Bars
2-#5
A1 Bars
2-#6
A1 Bars
2-#5
A1 Bars
2-#6
Group 1 8 4 4 11.26 11.26 13.74 39,272 39,691 38,922 39,281
I 2 10 4 6 11.59 11.26 13.74 39,706 40,132 39,297 39,660
  3 12 6 6 11.59 10.26 12.74 39,871 40,300 39,440 39,806
  4 14 6 8 11.26 10.26 12.74 40,165 40,599 39,695 40,064
  5 16 8 8 11.26 9.26 11.74 40,211 40,648 39,736 40,108
  6 18 8 10 10.66 9.26 11.74 40,382 40,822 39,885 40,259
Group 7 8 2 6 11.59 10.26 14.74 39,271 39,691 38,921 39,280
II 8 10 2 8 11.76 10.26 14.74 39,707 40,133 39,297 39,660
  9 12 4 8 11.26 11.26 13.74 40,002 40,432 39,553 39,919
  10 14 4 10 11.46 9.26 13.74 40,165 40,599 39,695 40,064
  11 16 6 10 11.46 8.26 12.74 40,211 40,648 39,736 40,108
  12 18 6 12 10.93 8.26 12.74 40,383 40,823 39,886 40,260
  13 20 6 14 10.83 6.26 12.74 40,331 40,773 39,843 40,219


Section Properties
Beam Type 2 -- 8" Web


Section Area = 374.9 in2  
NOTE: # = strand pattern number
  T = total number of strands
  H = number of harped strands
  S = number of straight strands
Section Yb = 14.41 in
Inontransformed = 39,632 in4
Depth= 32 in
Strand Size= 0.6 in
f'ci = 5 ksi
f'c = 7 ksi


                Iinitial Ifinal
  # T H S e1 e2 e3 A1 Bars
2-#5
A1 Bars
2-#6
A1 Bars
2-#5
A1 Bars
2-#6
Group 1 8 4 4 11.41 11.41 13.59 42,114 42,525 41,761 42,113
I 2 10 4 6 11.74 11.41 13.59 42,561 42,977 42,146 42,502
  3 12 6 6 11.74 10.41 12.59 42,734 43,154 42,296 42,654
  4 14 6 8 11.41 10.41 12.59 43,039 43,463 42,560 42,921
  5 16 8 8 11.41 9.41 11.59 43,091 43,518 42,607 42,970
  6 18 8 10 10.81 9.41 11.59 43,270 43,700 42,764 43,129
Group 7 8 2 6 11.74 10.41 14.59 42,114 42,525 41,761 42,112
II 8 10 2 8 11.91 10.41 14.59 42,562 42,978 42,147 42,502
  9 12 4 8 11.41 11.41 13.59 42,867 43,288 42,411 42,769
  10 14 4 10 11.61 9.41 13.59 43,039 43,463 42,560 42,921
  11 16 6 10 11.61 8.41 12.59 43,091 43,518 42,607 42,970
  12 18 6 12 11.08 8.41 12.59 43,271 43,701 42,765 43,130
  13 20 6 14 10.98 6.41 12.59 43,224 43,655 42,725 43,092


Section Properties
Beam Type 3 -- 6" Web

Section Area = 381.9 in2  
NOTE: # = strand pattern number
  T = total number of strands
  H = number of harped strands
  S = number of straight strands
Section Yb = 17.08 in
Inontransformed = 61,841 in4
Depth= 39 in
Strand Size= 0.6 in
f'ci = 5 ksi
f'c = 7 ksi


Cont.               Iinitial Ifinal
Span # T H S e1 e2 e3 A1 Bars
2-#5
A1 Bars
2-#6
A1 Bars
2-#5
A1 Bars
2-#6
Group 1 8 4 4 13.08 14.08 17.92 65,603 66,291 65,068 65,656
I 2 10 4 6 13.75 14.08 17.92 66,265 66,962 65,638 66,233
  3 12 4 8 13.58 14.08 17.92 66,753 67,457 66,060 66,660
  4 14 6 8 13.58 13.08 16.92 67,077 67,787 66,341 66,945
  5 16 6 10 13.48 13.08 16.92 67,555 68,271 66,755 67,364
  6 18 8 10 13.48 12.08 15.92 67,723 68,444 66,903 67,516
  7 20 8 12 13.08 12.08 15.92 68,042 68,769 67,182 67,799
  8 22 8 14 12.51 12.08 15.92 68,218 68,949 67,336 67,957
  9 24 10 14 12.51 11.08 14.92 68,260 68,994 67,376 67,998
Group 10 8 2 6 13.75 13.08 18.92 65,604 66,292 65,068 65,657
II 11 10 2 8 14.08 13.08 18.92 66,264 66,961 65,637 66,232
  12 12 2 10 13.88 13.08 18.92 66,753 67,457 66,060 66,660
  13 14 4 10 13.48 14.08 17.92 67,236 67,946 66,477 67,082
  14 16 4 12 13.75 12.08 17.92 67,556 68,272 66,756 67,366
  15 18 6 12 13.75 11.08 16.92 67,725 68,445 66,904 67,517
  16 20 6 14 13.37 11.08 16.92 68,045 68,771 67,184 67,800
  17 22 6 16 12.83 11.08 16.92 68,217 68,948 67,336 67,956
  18 24 8 16 12.83 10.08 15.92 68,259 68,993 67,375 67,998


Section Properties
Beam Type 3 -- 7" Web

Section Area = 420.9 in2  
NOTE: # = strand pattern number
  T = total number of strands
  H = number of harped strands
  S = number of straight strands
Section Yb = 17.31 in
Inontransformed = 66,991 in4
Depth= 39 in
Strand Size= 0.6 in
f'ci = 5 ksi
f'c = 7 ksi


Cont.               Iinitial Ifinal
Span # T H S e1 e2 e3 A1 Bars
2-#5
A1 Bars
2-#6
A1 Bars
2-#5
A1 Bars
2-#6
Group 1 8 4 4 13.31 14.31 17.69 70,792 71,464 70,251 70,826
I 2 10 4 6 13.98 14.31 17.69 71,477 72,156 70,841 71,420
  3 12 4 8 13.81 14.31 17.69 71,985 72,670 71,279 71,864
  4 14 6 8 13.81 13.31 16.69 72,326 73,016 71,575 72,163
  5 16 6 10 13.71 13.31 16.69 72,823 73,520 72,006 72,599
  6 18 8 10 13.71 12.31 15.69 73,006 73,707 72,166 72,762
  7 20 8 12 13.31 12.31 15.69 73,342 74,049 72,459 73,060
  8 22 8 14 12.74 12.31 15.69 73,532 74,242 72,626 73,229
  9 24 10 14 12.74 11.31 14.69 73,584 74,298 72,675 73,280
Group 10 8 2 6 13.98 13.31 18.69 70,793 71,465 70,252 70,826
II 11 10 2 8 14.31 13.31 18.69 71,476 72,155 70,840 71,420
  12 12 2 10 14.11 13.31 18.69 71,985 72,670 71,279 71,864
  13 14 4 10 13.71 14.31 17.69 72,487 73,178 71,714 72,303
  14 16 4 12 13.98 12.31 17.69 72,825 73,522 72,007 72,600
  15 18 6 12 13.98 11.31 16.69 73,007 73,708 72,167 72,764
  16 20 6 14 13.60 11.31 16.69 73,344 74,051 72,461 73,061
  17 22 6 16 13.06 11.31 16.69 73,531 74,242 72,625 73,229
  18 24 8 16 13.06 10.31 15.69 73,584 74,298 72,674 73,280


Section Properties
Beam Type 3 -- 8" Web

Section Area = 459.9 in2  
NOTE: # = strand pattern number
  T = total number of strands
  H = number of harped strands
  S = number of straight strands
Section Yb = 17.49 in
Inontransformed = 72,106 in4
Depth= 39 in
Strand Size= 0.60 in
f'ci = 5 ksi
f'c = 7 ksi


Cont.               Iinitial Ifinal
Span # T H S e1 e2 e3 A1 Bars
2-#5
A1 Bars
2-#6
A1 Bars
2-#5
A1 Bars
2-#6
Group 1 8 4 4 13.49 14.49 17.51 75,940 76,598 75,394 75,957
I 2 10 4 6 14.16 14.49 17.51 76,642 77,307 75,999 76,567
  3 12 4 8 13.99 14.49 17.51 77,166 77,837 76,451 77,023
  4 14 6 8 13.99 13.49 16.51 77,520 78,196 76,758 77,334
  5 16 6 10 13.89 13.49 16.51 78,034 78,716 77,203 77,783
  6 18 8 10 13.89 12.49 15.51 78,229 78,914 77,373 77,956
  7 20 8 12 13.49 12.49 15.51 78,580 79,270 77,678 78,265
  8 22 8 14 12.92 12.49 15.51 78,781 79,475 77,855 78,445
  9 24 10 14 12.92 11.49 14.51 78,843 79,540 77,911 78,504
Group 10 8 2 6 14.16 13.49 18.51 75,941 76,599 75,395 75,958
II 11 10 2 8 14.49 13.49 18.51 76,641 77,306 75,998 76,566
  12 12 2 10 14.29 13.49 18.51 77,166 77,837 76,451 77,023
  13 14 4 10 13.89 14.49 17.51 77,684 78,361 76,899 77,476
  14 16 4 12 14.16 12.49 17.51 78,036 78,718 77,204 77,785
  15 18 6 12 14.16 11.49 16.51 78,230 78,916 77,374 77,957
  16 20 6 14 13.78 11.49 16.51 78,582 79,273 77,680 78,267
  17 22 6 16 13.24 11.49 16.51 78,780 79,475 77,854 78,444
  18 24 8 16 13.24 10.49 15.51 78,842 79,540 77,911 78,503


Section Properties
Beam Type 4 -- 6" Web

Section Area = 428.9 in2  
NOTE: # = strand pattern number
  T = total number of strands
  H = number of harped strands
  S = number of straight strands
Section Yb = 19.54 in
Inontransformed = 92,450 in4
Depth= 45 in
Strand Size= 0.6 in
f'ci = 5 ksi
f'c = 7 ksi


Cont.               Iinitial Ifinal
Span # T H S e1 e2 e3 A1 Bars
2-#5
A1 Bars
2-#6
A1 Bars
2-#5
A1 Bars
2-#6
Group 1 8 4 4 15.54 16.54 21.46 97,723 98,691 96,972 97,800
I 2 10 4 6 16.21 16.54 21.46 98,623 99,602 97,748 98,583
  3 12 4 8 16.04 16.54 21.46 99,318 100,305 98,347 99,189
  4 14 6 8 16.04 15.54 20.46 99,818 100,812 98,780 99,627
  5 16 6 10 15.94 15.54 20.46 100,497 101,501 99,369 100,223
  6 18 8 10 15.94 14.54 19.46 100,808 101,818 99,640 100,499
  7 20 8 12 15.54 14.54 19.46 101,297 102,314 100,066 100,930
  8 22 8 14 14.97 14.54 19.46 101,611 102,634 100,341 101,210
  9 24 8 16 15.29 12.54 19.46 101,761 102,789 100,475 101,347
  10 26 10 16 15.29 11.54 18.46 101,762 102,794 100,480 101,356
  11 28 10 18 15.32 9.54 18.46 101,633 102,667 100,372 101,250
Group 12 8 2 6 16.21 15.54 22.46 97,724 98,692 96,973 97,801
II 13 10 2 8 16.54 15.54 22.46 98,622 99,601 97,747 98,582
  14 12 4 8 16.04 16.54 21.46 99,318 100,305 98,347 99,189
  15 14 4 10 15.94 16.54 21.46 100,005 101,001 98,941 99,790
  16 16 4 12 16.21 14.54 21.46 100,499 101,503 99,370 100,224
  17 16 6 10 15.94 15.54 20.46 100,497 101,501 99,369 100,223
  18 18 6 12 16.21 13.54 20.46 100,810 101,819 99,641 100,500
  19 20 6 14 15.83 13.54 20.46 101,300 102,317 100,068 100,932
  20 22 6 16 15.29 13.54 20.46 101,610 102,633 100,340 101,209
  21 24 6 18 15.32 11.54 20.46 101,762 102,790 100,476 101,349
  22 26 6 20 15.14 9.54 20.46 101,762 102,794 100,480 101,356
  23 26 8 18 15.32 10.54 19.46 101,764 102,796 100,482 101,357
  24 28 6 22 14.81 7.54 20.46 101,629 102,663 100,369 101,246
  25 28 8 20 15.14 8.54 19.46 101,631 102,666 100,371 101,248
  26 30 8 22 14.81 6.54 19.46 101,381 102,417 100,158 101,037
  27 32 8 24 14.37 4.54 19.46 101,033 102,069 99,860 100,739


Section Properties
Beam Type 4 -- 7" Web

Section Area = 473.9 in2  
NOTE: # = strand pattern number
  T = total number of strands
  H = number of harped strands
  S = number of straight strands
Section Yb = 19.82 in
Inontransformed = 100,400 in4
Depth= 45 in
Strand Size= 0.6 in
f'ci = 5 ksi
f'c = 7 ksi


Cont.               Iinitial Ifinal
Span # T H S e1 e2 e3 A1 Bars
2-#5
A1 Bars
2-#6
A1 Bars
2-#5
A1 Bars
2-#6
Group 1 8 4 4 15.82 16.82 21.18 105,729 106,673 104,971 105,778
I 2 10 4 6 16.49 16.82 21.18 106,661 107,614 105,773 106,587
  3 12 4 8 16.32 16.82 21.18 107,384 108,345 106,396 107,216
  4 14 6 8 16.32 15.82 20.18 107,908 108,876 106,850 107,675
  5 16 6 10 16.22 15.82 20.18 108,617 109,593 107,464 108,295
  6 18 8 10 16.22 14.82 19.18 108,950 109,931 107,753 108,589
  7 20 8 12 15.82 14.82 19.18 109,464 110,453 108,201 109,041
  8 22 8 14 15.25 14.82 19.18 109,801 110,795 108,495 109,340
  9 24 8 16 15.57 12.82 19.18 109,968 110,967 108,644 109,492
  10 26 10 16 15.57 11.82 18.18 109,984 110,986 108,661 109,512
  11 28 10 18 15.60 9.82 18.18 109,864 110,869 108,562 109,415
Group 12 8 2 6 16.49 15.82 22.18 105,730 106,674 104,971 105,779
II 13 10 2 8 16.82 15.82 22.18 106,660 107,613 105,772 106,586
  14 12 4 8 16.32 16.82 21.18 107,384 108,345 106,396 107,216
  15 14 4 10 16.22 16.82 21.18 108,100 109,069 107,015 107,841
  16 16 4 12 16.49 14.82 21.18 108,619 109,595 107,465 108,296
  17 16 6 10 16.22 15.82 20.18 108,617 109,593 107,464 108,295
  18 18 6 12 16.49 13.82 20.18 108,951 109,933 107,755 108,590
  19 20 6 14 16.11 13.82 20.18 109,467 110,456 108,203 109,044
  20 22 6 16 15.57 13.82 20.18 109,800 110,794 108,484 109,339
  21 24 6 18 15.60 11.82 20.18 109,970 110,969 108,645 109,494
  22 26 6 20 15.42 9.82 20.18 109,984 110,986 108,661 109,512
  23 26 8 18 15.60 10.82 19.18 109,985 110,988 108,663 109,514
  24 28 6 22 15.09 7.82 20.18 109,860 110,865 108,559 109,411
  25 28 8 20 15.42 8.82 19.18 109,862 110,867 108,561 109,413
  26 30 8 22 15.09 6.82 19.18 109,618 110,624 108,353 109,207
  27 32 8 24 14.65 4.82 19.18 109,271 110,278 108,056 108,910


Section Properties
Beam Type 4 -- 8" Web

Section Area = 518.9 in2  
NOTE: # = strand pattern number
  T = total number of strands
  H = number of harped strands
  S = number of straight strands
Section Yb = 20.06 in
Inontransformed = 108,288 in4
Depth= 45 in
Strand Size= 0.6 in
f'ci = 5 ksi
f'c = 7 ksi


Cont.               Iinitial Ifinal
Span # T H S e1 e2 e3 A1 Bars
2-#5
A1 Bars
2-#6
A1 Bars
2-#5
A1 Bars
2-#6
Group 1 8 4 4 16.06 17.06 20.94 113,668 114,591 112,902 113,692
I 2 10 4 6 16.73 17.06 20.94 114,627 115,559 113,727 114,523
  3 12 4 8 16.56 17.06 20.94 115,375 116,314 114,372 115,174
  4 14 6 8 16.56 16.06 19.94 115,921 116,866 114,844 115,651
  5 16 6 10 16.46 16.06 19.94 116,655 117,608 115,480 116,291
  6 18 8 10 16.46 15.06 18.94 117,007 117,965 115,786 116,601
  7 20 8 12 16.06 15.06 18.94 117,544 118,509 116,252 117,073
  8 22 8 14 15.49 15.06 18.94 117,900 118,870 116,563 117,387
  9 24 8 16 15.81 13.06 18.94 118,084 119,058 119,725 117,553
  10 26 10 16 15.81 12.06 17.94 118,112 119,089 116,754 117,584
  11 28 10 18 15.84 10.06 17.94 118,001 118,981 116,662 117,494
Group 12 8 2 6 16.73 16.06 21.94 113,669 114,592 112,903 113,693
II 13 10 2 8 17.06 16.06 21.94 114,626 115,558 113,726 114,522
  14 12 4 8 16.56 17.06 20.94 115,375 116,314 114,372 115,174
  15 14 4 10 16.46 17.06 20.94 116,116 117,062 115,012 115,819
  16 16 4 12 16.73 15.06 20.94 116,657 117,610 115,481 116,293
  17 16 6 10 16.46 16.06 19.94 116,655 117,608 115,480 116,291
  18 18 6 12 16.73 14.06 19.94 117,009 117,967 115,787 116,603
  19 20 6 14 16.35 14.06 19.94 117,547 118,512 116,255 117,075
  20 22 6 16 15.81 14.06 19.94 117,899 118,869 116,562 117,387
  21 24 6 18 15.84 12.06 19.94 118,085 119,059 116,727 117,554
  22 26 6 20 15.66 10.06 19.94 118,112 119,089 116,754 117,584
  23 26 8 18 15.84 11.06 18.94 118,113 119,091 116,755 117,585
  24 28 6 22 15.33 8.06 19.94 117,997 118,977 116,659 117,490
  25 28 8 20 15.66 9.06 18.94 117,999 118,979 116,661 117,493
  26 30 8 22 15.33 7.06 18.94 117,760 118,742 116,458 117,291
  27 32 8 24 14.89 5.06 18.94 117,415 118,397 116,163 116,996


Section Properties
Beam Type 6 -- 6.5" Web

Section Area = 643.6 in2  
NOTE: # = strand pattern number
  T = total number of strands
  H = number of harped strands
  S = number of straight strands
Section Yb = 25.92 in
Inontransformed = 235,735 in4
Depth= 54 in
Strand Size= 0.6 in
f'ci = 5 ksi
f'c = 7 ksi


                Iinitial Ifinal
  # T H S e1 e2 e3 A1 Bars
2-#6
A1 Bars
2-#6
Group 1 14 4 10 23.52 22.92 23.08 251,047 248,880
I 2 16 4 12 23.25 22.92 23.08 252,425 250,070
  3 18 6 12 23.25 21.92 22.08 253,525 251,022
  4 20 6 14 23.06 21.92 22.08 254,886 252,199
  5 22 6 16 22.92 21.92 22.08 256,238 253,370
  6 24 8 16 22.92 20.92 21.08 257,053 254,081
  7 26 8 18 22.59 20.92 21.08 258,130 255,017
  8 28 8 20 22.32 20.92 21.08 259,191 255,940
  9 30 10 20 22.32 19.92 20.08 259,751 256,433
  10 32 10 22 22.10 19.92 20.08 260,803 257,350
  11 34 10 24 21.75 19.92 20.08 261,604 258,052
  12 36 10 26 21.46 19.92 20.08 262,412 258,760
  13 38 12 26 21.46 18.92 19.08 262,739 259,053


Section Properties
Beam Type 6 -- 7.5" Web

Section Area = 697.6 in2  
NOTE: # = strand pattern number
  T = total number of strands
  H = number of harped strands
  S = number of straight strands
Section Yb = 26.00 in
Inontransformed = 248,915 in4
Depth= 54 in
Strand Size= 0.6 in
f'ci = 5 ksi
f'c = 7 ksi


                Iinitial Ifinal
  # T H S e1 e2 e3 A1 Bars
2-#6
A1 Bars
2-#6
Group 1 14 4 10 23.60 23.00 23.00 264,293 262,115
I 2 16 4 12 23.33 23.00 23.00 265,686 263,318
  3 18 6 12 23.33 22.00 22.00 266,801 264,281
  4 20 6 14 23.14 22.00 22.00 268,178 265,473
  5 22 6 16 23.00 22.00 22.00 269,548 266,658
  6 24 8 16 23.00 21.00 21.00 270,378 267,381
  7 26 8 18 22.67 21.00 21.00 271,472 268,330
  8 28 8 20 22.40 21.00 21.00 272,551 269,269
  9 30 10 20 22.40 20.00 20.00 273,125 269,772
  10 32 10 22 22.18 20.00 20.00 274,195 270,705
  11 34 10 24 21.83 20.00 20.00 275,014 271,420
  12 36 10 26 21.54 20.00 20.00 275,839 272,143
  13 38 12 26 21.54 19.00 19.00 276,180 272,447


Section Properties
Beam Type 6 -- 8.5" Web

Section Area = 751.6 in2  
NOTE: # = strand pattern number
  T = total number of strands
  H = number of harped strands
  S = number of straight strands
Section Yb = 26.07 in
Inontransformed = 262,087 in4
Depth= 54 in
Strand Size= 0.6 in
f'ci = 5 ksi
f'c = 7 ksi


                Iinitial Ifinal
  # T H S e1 e2 e3 A1 Bars
2-#6
A1 Bars
2-#6
Group 1 14 4 10 23.67 23.07 22.93 277,522 275,336
I 2 16 4 12 23.40 23.07 22.93 278,930 276,549
  3 18 6 12 23.40 22.07 21.93 280,057 277,523
  4 20 6 14 23.21 22.07 21.93 281,449 278,727
  5 22 6 16 23.07 22.07 21.93 282,834 279,925
  6 24 8 16 23.07 21.07 20.93 283,678 280,658
  7 26 8 18 22.74 21.07 20.93 284,786 281,620
  8 28 8 20 22.47 21.07 20.93 285,881 282,571
  9 30 10 20 22.47 20.07 19.93 286,468 283,085
  10 32 10 22 22.25 20.07 19.93 287,554 284,030
  11 34 10 24 21.90 20.07 19.93 288,388 284,758
  12 36 10 26 21.61 20.07 19.93 289,228 285,493
  13 38 12 26 21.61 19.07 18.93 289,581 285,807

Section Properties
Beam Type 7 -- 6" Web
Bulb Tee Girder

Section Area = 787.4 in2  
NOTE: # = strand pattern number
  T = total number of strands
  H = number of harped strands
  S = number of straight strands
Section Yb = 37.58 in
Inontransformed = 571,047 in4
Depth= 72.5 in
Strand Size= 0.6 in
f'ci = 5 ksi
f'c = 7 ksi


Cont.               Iinitial Ifinal
Span # T H S e1 e2 e3 A1 Bars
4-#6
A1 Bars
4-#6
Group 1 14 4 10 35.58 34.58 29.92 609,994 604,448
I 2 16 4 12 35.25 34.58 29.92 613,316 607,307
  3 18 6 12 35.25 33.58 28.92 616,196 609,790
  4 20 6 14 35.01 33.58 28.92 619,469 612,612
  5 22 6 16 34.83 33.58 28.92 622,719 615,417
  6 24 8 16 34.83 32.58 27.92 625,140 617,512
  7 26 8 18 34.69 32.58 27.92 628,347 620,286
  8 28 8 20 34.58 32.58 27.92 631,536 623,046
  9 30 10 20 34.58 31.58 26.92 633,518 624,769
  10 32 10 22 34.31 31.58 26.92 636,280 627,166
  11 34 10 24 34.08 31.58 26.92 639,012 629,539
  12 36 10 26 33.89 31.58 26.92 641,737 631,909
  13 38 10 28 33.58 31.58 26.92 644,052 633,926
  14 40 12 28 33.58 30.58 25.92 645,607 635,289

751.22.3.6 Girder Reinforcement

Bar Reinforcing Steel Details for MoDOT Standard Girders
  TABLE OF DIMENSIONS
  BEAM TYPE 2 BEAM TYPE 3 BEAM TYPE 4 BEAM TYPE 6 BEAM TYPE 7
WEB 6" 7" 8" 6" 7" 8" 6" 7" 8" 6½" 7½" 8½" 6"
"a" 5½" 5½" 5½" 5½" 5½" 5½" 5½" 5½" 5½" 8¾" 8¾" 8¾" 10"
"b" 4" 4" 4" 4" 4" 4" 4" 4" 4" 4" 4" 4" 4"
"c" 6" 6" 6" 6" 6" 6" 6" 6" 6" 7" 7" 7" 4½"
"d" 3¼" 3¼" 3¼" 5⅛" 5⅛" 5⅛" 6¼" 6¼" 6¼" 4⅛" 4⅛" 4⅛" 4⅛"
"e" 13" 14" 15" 13" 14" 15" 13" 14" 15" 18" 19" 20" 20"
"f" 2" 2" 2" 2" 2" 2" 2" 2" 2" 3" 3" 3" 7¾"
"g" 11" 12" 13" 11" 12" 13" 11" 12" 13" 22" 23" 24" 2'-11½"
"h" 2'-6" 2'-6" 2'-6" 3'-1" 3'-1" 3'-1" 3'-7" 3'-7" 3'-7" 4'-4" 4'-4" 4'-4" 5'-10½"
"i" 3'-0½" 3'-0½" 3'-0½" 3'-7½" 3'-7½" 3'-7½" 4'-1½" 4'-1½" 4'-1½" 4'-10½" 4'-10½" 4'-10½" 6'-5"


Note: Dimensions shown above are out to out.


  TOTAL BAR LENGTH
  BEAM TYPE 2 BEAM TYPE 3 BEAM TYPE 4 BEAM TYPE 6 BEAM TYPE 7
WEB 6" 7" 8" 6" 7" 8" 6" 7" 8" 6½" 7½" 8½" 6"
B1 4'-1" 4'-1" 4'-1" 4'-8" 4'-8" 4'-8" 5'-2" 5'-2" 5'-2" 5'-11" 5'-11" 5'-11" 7'-8"
B2 3'-6" 3'-6" 3'-6" 4'-1" 4'-1" 4'-1" 4'-7" 4'-7" 4'-7" 5'-4" 5'-4" 5'-4" 7'-0"
C1 13" 14" 15" 13" 14" 15" 13" 14" 15" 2'-2" 2'-3" 2'-4" 3'-6"
D1 2'-4" 2'-5" 2'-6" 2'-5" 2'-6" 2'-7" 2'-7" 2'-8" 2'-9" 3'-0" 3'-1" 3'-2" 3'-1"


Note: For girders that have stepped flanges, create new B1 and C1 Bars and adjust Bar Lengths for step heights.


C1 BAR

(Beam Types 2-6)

C1 BAR

(Beam Type 7)

  B1 & B2 BAR
D1 BAR
SECTION THRU GIRDER

(Typ. for MoDOT Standard Girder Types 2-6)

  SECTION THRU GIRDER

(MoDOT Standard Girder Type 7)

Welded Wire Reinforcing Steel Details for NU Standard Girders

(See Bridge Standard Drawings for details.)

Alternate Bar Reinforcing Steel Details for NU Standard Girders

Alternate bar reinforcing steel details shall be provided for all NU girders for all spans.

Details shall be similar to details provided for MoDOT Standard Girders:

End section reinforcement shall be designed using #6 B2 Bars @ 3 ½” cts.
C1 bars shall be straight bars without legs.
All B1 bars shall be epoxy coated.
B1 bars shall be #4 or #5 bar maximum. (#4 bars are preferred to allow permissible alternate bar shape.)

Section Reinforcement Details

(Typ. for MoDOT Standard Girder Types 2 thru 6 and NU Standard Girders.)


MILD STEEL
REINFORCEMENT
Guidance: For MoDOT Standard Girder Types 7 or 8, using #6 B1 bars does not provide 1” clearance when center strands are spaced 1” off centerline of girder between hold down devices because of bend radius of #6 bar. Use of #5 bar is preferred. For NU Standard Girders and alternate bar reinforcing steel details, use of #5 bar is preferred similarly.
Note: B1, B2 and D1 bars shall be placed in pairs. A note on the girder sheet gives the fabricator the option of furnishing the 2-D1 bars as one bar.


B1 BAR PERMISSIBLE
ALTERNATE SHAPE
Note: Place the above detail on Prestress I-Girder sheets only where #4-B1 reinforcing bars are used.


Anchorage Zone Reinforcement

The following details meet the criteria for anchorage zone reinforcement for pretensioned girders in EPG 751.22.2.4 for all MoDOT and NU standard girder shapes.


MoDOT Standard Girder End Section Reinforcement


NU Standard Girder End Section Reinforcement

Typical end section reinforcement shall be all welded wire reinforcement (WWR) or all deformed bars. If additional reinforcement is required with WWR, the following options shall be considered.

Option 1 (Preferred) Option 2
(Use for heavier reinforcement)

Minimum spacing of reinforcing bars shall be in accordance with LRFD 5.10.3.1.2.

Consideration shall be given to spacing reinforcing bars 1” clear from welded studs on bearing plates (not shown).


Bearing Plate Anchor Studs


The standard ½" bearing plate will be anchored with four ½" x 4" studs for MoDOT shapes and eight ½” x 5” studs for NU shapes.

If required, increase the number of ½" studs and space between open B2 bars.


The minimum ¼" fillet weld between the ½" bearing plate and 1½" sole plate is adequate for all cases.

LFD Seismic Design

Studs shall be designed to meet the criteria of 2002 AASHTO 17th Edition Division I-A in Seismic Performance Category C or D.

Stud capacity is determined as follows for:

Stud Cap. = (n)(As)(0.4Fy)(1.5)
Where:
N = number of studs
As = area of stud
Fy = yield strength of stud (50 ksi)
0.4Fy = Allowable Shear in Pins AASHTO Table 10.32.1A
1.5 = seismic overload factor

If required, increase the number of 1/2” studs to six and space between open B2 bars or WWF. If this is still not adequate, 5/8” studs may be used. The following table may be used as a guide for upper limits of dead load reactions:

No. of Studs Stud Dia. Max Allowable D.L Reaction (kips)
A = 0.30 A = 0.36
4 1/2” 78 65
6 1/2” 117 98
4 5/8” 122 102
6 5/8” 184 153
8 1/2” 156 130
10 1/2” 195 163
8 5/8” 244 204
10 5/8” 306 255

751.22.3.7 Bent-up Strands

Bent-up strands for positive moment connection

Tables below show the number of bent-up strands for closed and open diaphragms (with a continuous superstructure), respectively. Provide a minimum number of bent-up strands as shown in tables at the bottom of girder ends. These bent-up strands shall be adequate to resist a positive moment over the bents.


*     Varies
**  #5 bars typical at each layer of bent-up strands.
(1)   #5-strand tie bars normal to girder.


WEB
THICKNESS
(INCHES)
NUMBER OF BOTTOM STRANDS FOR POSITIVE MOMENT
CONNECTION (C)
BEAM TYPE 2 BEAM TYPE 3 BEAM TYPE 4 BEAM TYPE 6 BEAM TYPE 7
(BULB TEE)
6 6 6 8 --- 12
6-1/2 --- --- --- 10 ---
7(A) 6 8 8 --- ---
7-1/2(B) --- --- --- 12 ---
8(A) 6 8 10 --- ---
8-1/2(B) --- --- --- 12 ---
(A) Modified Beam Type 2, 3 or 4.
(B) Modified Beam Type 6.
(C) If available. Otherwise, bend all bottom strands.


NUMBER OF BOTTOM STRANDS FOR POSITIVE MOMENT CONNECTION (C)
NU 35 10
NU 43 10
NU 53 10
NU 63 12
NU 70 12

751.22.3.8 Haunching and Girder Steps

Haunching

Haunching for a P/S I-Girder bridge is the distance between the top of the girder and the bottom of the slab.

Haunching shall be computed at quarter (1/4) points for bridges with spans less than 75 feet, and at tenth (1/10) points for span 75 feet and longer. A typical theoretical slab haunching diagram as shown below shall be provided on all P/S I-Girder bridges.

For cast-in-place decks, a minimum haunch of 1" at the centerline of girder and 1/2" at the edge of the girder flange shall be provided to allow for construction tolerances and normal concrete variations. For NU and MoDOT Bulb Tee Standard Girders, the minimum haunch may need to be increased. See the Structural Project Manager or Structural Liaison Engineer for cast-in-place decks.

For precast prestressed panel decks, a minimum haunch of 1 1/8” shall be provided for MoDOT Standard Girders (Types 2, 3, 4, and 6) for the same reasons. Provide 1 ½” min. haunch for NU and MoDOT Bulb Tee Standard Girders. A minimum of 1" shall be made available below the precast prestressed panels to allow for adequate flow of concrete below the panel. This is accomplished by specifying and using 1” min. joint filler under the precast prestressed panels.

A maximum haunch at the centerline of the girder of 2.5" for MoDOT Type 2, 3, 4 and 6 girders or 4.5” for all NU and MoDOT Bulb Tee (Types 7 and 8) girders is allowed when prestressed panels are used, and 3.5" when only the cast-in-place option is used. (The maximum joint filler thickness to be used for supporting panels shall be 2" for MoDOT (Types 2, 3, 4 and 6) girders or 4” for all NU and MoDOT Bulb Tee (Types 7 and 8) girders; the remaining haunch thickness will be addressed by varying the slab thickness.)


Theoretical Slab Haunching Diagram
NU and Buulb Tee Girders, only
1) #4 Hairpin bars @ 12” cts. are required where haunch exceeds 4”.

Girder Steps

Where haunches greater than 2.5" or 4.5", depending on girder type used, occur with prestressed panels, steps shall be provided on the girder as shown below, to keep the haunch less than 2" or 4" for MoDOT (Type 2, 3, 4 and 6) girders or all NU and Bulb Tee (Types 7 and 8) girders, respectively. The minimum step height shall be 1/2" with 1/2" increments with no limit of the number of steps. If the steps accumulate to 1" or more, adjust the height of the B1 bars or WWR in 1" increments. Length of WWR sections for NU girders should be based on shear and confinement requirements before adjusting height to avoid multiple short length sections.


PART ELEVATION OF GIRDER SECTION A-A


Girder Top Flange Step Example


Top of Girder

Tops of girders, for bridges with superelevations of more than 2%, shall be sloped across the top flange to match the superelevation as shown below. The minimum thickness of the top flange shall be the standard flange thickness and the overall height at the minimum point shall be the standard girder height.

NU and MoDOT Bulb Tee Standard Girder top flanges exceeding a 4% cross-slope may experience sweep after form removal because of the unsymmetrical section and a resulting imbalanced prestressed load. It is recommended that the flange thickness be increased to only half of that required (but less than or equal to 4% cross-slope) and the height difference mitigated using thicker joint filler on the high side. If thicker joint filler cannot be fully used to compensate for the height difference, the extra load of a thicker slab must be accounted for in the design of the girders.


Top Flange Slope with Superelevation

751.22.3.9 Open Intermediate Bent Diaphragms

(Expansion Intermediate Bent with Continuous Slab)

Dimensions:

PART ELEVATION
FOR BULB TEE GIRDERS
PART ELEVATION


PART PLAN



 
PART SECTION A-A
(*) A sloped diaphragm allows clearance for the future placement of jacks needed to replace bearings.

(**) For Bulb Tee Girder, spacings less than 8'-8" dimensions "A", "B" & "C" may have to be modified.

(***) Make sure the diaphragm is wide enough to provide enough cover for the Coil Tie Rods.

GIRDER
TYPE
DIMENSIONS
"A" "B" "C"
TYPE "2"
2'-8"
12" 15" 13"
TYPE "3"
3'-3"
17" 15" 19"
TYPE "4"
3'-9"
19" 18" 21"
TYPE "6"
4'-6"
2'-3" 21" 2'-1"
BULB TEE
6'-0½ *
3'-0" 2'-6½" 2'-9"


(Expansion Intermediate Bent with Continuous Slab)

Coil Tie Rod:

PART ELEVATION


(*) 6" (Min.) shall be used for all I-Girders and Bulb Tee Girders.


PART SECTION A-A DETAILS OF COIL TIE RODS
IN BULB TEE GIRDERS


(Expansion Intermediate Bent with Continuous Slab)

Reinforcement:


PART ELEVATION
FOR BULB TEE GIRDERS
PART ELEVATION



PART PLAN


(1) For Bulb Tee Girders, the first #6 Bar shall be placed 10" from the centerline of Web (Top Flange will prevent some Bars from extending into the Slab).
 
 
(*) See Section "A" for the placement of reinforcement.

(**) Use the same clearance as longitudinal slab steel.
(***) #5 Bars for each layer of bent up strands.

PART SECTION A-A

751.22.3.10 Closed Intermediate Bent Diaphragms

(Fixed Intermediate Bents with Continuous Slab)
Dimensions:


PART ELEVATION FOR
BULB TEE GIRDERS
PART ELEVATION


PART PLAN


PART PLAN
(Showing Joint Filler)


(*) Make flush with Bent Caps less than 3'-0" wide. For Bent Caps 3'-0" and over, make Diaphragms 2'-6" wide unless skew requires wider Diaphragm to accommodate Coil Ties.
 
(**) For tapered bearings or for bearings with different thickness use the following note: "Fill area under girders with Joint Filler."


(Expansion Intermediate Bents with Continuous Slab)
Dimensions:


PART ELEVATION FOR
BULB TEE GIRDERS
PART ELEVATION
PART ELEVATION FOR NU GIRDERS
PART PLAN
(*) Make flush with Bent Caps less than 3'-0" wide. For Bent Caps 3'-0" and over, make Diaphragm 2'-6" wide unless skew requires wider Diaphragm to accommodate Coil Ties.

(**) Use Shear Blocks when Bent Cap steps down in one direction or when there are less than two steps in each direction with maximum step height less than 1 1/2" each.

Shear Blocks shall be detailed parallel to the centerline of roadway and shall be designed to resist 0.20 times the tributary weight where tributary weight is defined as the total bent dead load reaction. See this section for shear block design method.

PART LONGITUDINAL ELEVATION  


(Fixed and Expansion Intermediate Bents with Continuous Slab)
Reinforcement (Square Structure):



PART ELEVATION FOR
BULB TEE GIRDERS
PART ELEVATION
PART ELEVATION FOR NU GIRDERS


(1) For Bulb Tee Girders, the #6 Bar shall be a min. of 15" from centerline of Girder and will not extend past the bottom of the top flange.

(2)For Bulb Tee Girders, use 3-#4 Bars in each Diaphragm face.



(*) #5 Bars for each layer of bent up strands.

(**) Use the same clearance as the longitudinal slab steel.

(***) By design, Min. #6 Dowel bars @ 12" cts. (Typ.) (Fixed bent only).


PART ELEVATION A-A SECTION THRU DIAPHRAGM


(Fixed and Expansion Intermediate Bents with Continuous Slab)
Reinforcement (Skewed Structure):


PART ELEVATION FOR
BULB TEE GIRDERS
PART ELEVATION


(1) For Bulb Tee Girders, the #6 Bar shall be a min. of 15" from centerline of Girder and will not extend past the bottom of the top flange.

(2)For Bulb Tee Girders, use 3-#4 Bars in each Diaphragm face.



(*) #5 Bars for each layer of bent up strands.

(**) Omit leg on outside of exterior girder.

(***) By design, Min. #6 Dowel bars @ 12" cts. (Typ.) (Fixed bent only).


SKEWS THRU 25 DEG. SKEWS OVER 25 DEG.


(Change in Girder Height at Fixed Bents)
Reinforcement:

Change girder heights within a continuous girder series only when specified on Design Layout or by Structural Project Manager.

Girder heights can only be changed at fixed bents for continuous series.


PART ELEVATION



(*) By design, Min. #6 Dowel bars @ 12" Cts. (Typ.)

PART PLAN


(1) At each layer of bent strands.

(2) For Bulb Tee Girders, use 3-#4 Bars in each Diaphragm face.

(3) 3" Min. when using beam step.

(4) By design, Min. #6 @ 12" Cts. dowel bars (Typ.)


PART SECTION A-A THRU DIAPHRAGM


Note: Girder heights can change a maximum of one Girder type.

(1) For Bulb Tee Girders, use 3-#4 Bars in each Diaphragm face.


(Change in Girder Height at Fixed Bents)
Edge Distance Details:


PART PLAN SKEWED STRUCTURES
NOTE: Field bending may be required for #4 and #6 H Bars
in Skewed Structures near short Exterior Girder.


PART PLAN SQUARE STRUCTURES

(1) When Beam width is controlled by Girder chair clearance, make Diaphragm Flush with Beam Cap.


(Change in Girder Height at Fixed Bents)
Girder Chair Details:


PART END ELEVATION
PART FRONT ELEVATION  
SERVICE LOAD REACTIONS VERTICAL ANGLE HORIZONTAL BAR
90 Kips 8 x 6 x 1/2 7" x 7/8"
Use DC (non-composite loads) and 50#/Sq.Ft.
Construction Load for Reactions.
(*) 3" Min. when using beam step.



3/4" Chamfer and 1/2" Joint Filler

SECTION THRU
INTERMEDIATE DIAPHRAGMS


DETAIL "A"

751.22.3.11 Non-integral End Bent Diaphragms

(End Diaphragm with no Expansion Devices)
Dimensions:

PART ELEVATION FOR
BULB TEE GIRDERS
PART ELEVATION NEAR END BENT



PART PLAN NEAR END BENT



 
PART SECTION A-A
(*) A sloped diaphragm allows clearance for the future placement of jacks needed to replace bearings.
 

(**) For Bulb Tee Girder, spacings less than 8'-8" dimensions "A", "B" & "C" may have to be modified.
 
(***) Make sure the diaphragm is wide enough to provide cover for the coil tie rods.

GIRDER
TYPE
DIMENSIONS
"A" "B" "C"
TYPE "2"
2'-8"
12" 15" 13"
TYPE "3"
3'-3"
17" 15" 19"
TYPE "4"
3'-9"
19" 18" 21"
TYPE "6"
4'-6"
2'-3" 21" 2'-1"
BULB TEE
6'-0½ *
3'-0" 2'-6½" 2'-9"


(End Diaphragm with no Expansion Devices)
Coil Tie Rods:



PART ELEVATION NEAR END BENT


NOTE: For location of the Coil Tie Rods in a plan view, see Coil Ties.
  (*) 6" (Min.) shall be used for all I-Girders and Bulb Tee Girders.


  EXTERIOR GIRDERS INTERIOR GIRDERS
PART SECTION A-A DETAILS OF COIL TIE RODS
IN BULB TEE GIRDERS


(End Diaphragm with no Expansion Devices)
Reinforcement:



PART ELEVATION
NEAR END BENT FOR
BULB TEE GIRDERS
PART ELEVATION NEAR END BENT


PART PLAN NEAR END BENT


  (1) For Bulb Tee Girders, the first #6 Bar shall be placed 10" from the centerline of Web (Top Flange will prevent some Bars from extending into the Slab).
 
NOTE: Bars across end of girders to be continuous.
(*) Use the same clearance as longitudinal slab steel.
(**) Show this dimension Bridge Plan Sheets.
PART SECTION A-A


(End Diaphragm with Expansion Devices)
Dimensions:


PART ELEVATION
FOR BULB TEE GIRDERS
PART ELEVATION NEAR END BENT
PART PLAN NEAR END BENT

 
PART SECTION A-A
(*) For Bulb Tee Girder, spacings less than 8'-8" dimensions "A", "B" & "C" may have to be modified.
GIRDER
TYPE
DIMENSIONS
"A" "B" "C"
TYPE "2"
2'-8"
12" 15" 13"
TYPE "3"
3'-3"
17" 15" 19"
TYPE "4"
3'-9"
19" 18" 21"
TYPE "6"
4'-6"
2'-3" 21" 2'-1"
BULB TEE
6'-0½ *
3'-0" 2'-6½" 2'-9"
(**) A sloped diaphragm allows clearance for the future placement of jacks needed to replace bearings.
(***) Make sure the diaphragm is wide enough to provide cover for the coil tie rods.


(End Diaphragm with Expansion Devices)
Coil Tie Rods:


PART ELEVATION NEAR END BENT


NOTE: For location of the Coil Tie Rods in a plan view, see Coil Ties.
  (*) 6" (Min.) shall be used for all I-Girders and Bulb Tee Girders.


  EXTERIOR GIRDERS INTERIOR GIRDERS
PART SECTION A-A DETAILS OF COIL TIE RODS
IN BULB TEE GIRDERS


(End Diaphragm with Expansion Devices)
Reinforcement:


PART ELEVATION
NEAR END BENT FOR
BULB TEE GIRDERS
PART ELEVATION NEAR END BENT
PART PLAN NEAR END BENT


  (1) For Bulb Tee Girders, the first #6 Bar shall be placed 10" from the centerline of Web (Top Flange will prevent some Bars from extending into the Slab).
 
NOTE: Epoxy Coat all Reinforcing Steel in the End of Diaphragms.

NOTE: Bars across end of girders to be continuous.

(*) Use the same clearance as longitudinal slab steel.
(**) Show this dimension Bridge Plan Sheets.
PART SECTION A-A

751.22.3.12 Non-integral Intermediate Bent Diaphragms

(End Diaphragms with Expansion Device)
Dimensions:


NOTE: Slope at top of Beam Cap and Protective
Coating to be used on Structures with Expansion
Devices.
PART ELEVATION FOR
BULB TEE GIRDERS
PART ELEVATION NEAR INT. BENT



PART PLAN NEAR INT. BENT



 
PART SECTION A-A
(*) A sloped diaphragm allows clearance for the future placement of jacks needed to replace bearings.
GIRDER
TYPE
DIMENSIONS
"A" "B" "C"
TYPE "2"
2'-8"
12" 15" 13"
TYPE "3"
3'-3"
17" 15" 19"
TYPE "4"
3'-9"
19" 18" 21"
TYPE "6"
4'-6"
2'-3" 21" 2'-1"
BULB TEE
6'-0½ *
3'-0" 2'-6½" 2'-9"
(**) For Bulb Tee Girder, spacings less than 8'-8" dimensions "A", "B" & "C" may have to be modified.
(***) Make sure the diaphragm is wide enough to provide enough cover for the Coil Tie Rods.


(End Diaphragms with Expansion Device)
Coil Tie Rods:



PART ELEVATION NEAR INT. BENT


NOTE: For location of the Coil Tie Rods in a plan view, see Coil Ties.
  (*) 6" (Min.) shall be used for all I-Girders and Bulb Tee Girders.


  EXTERIOR GIRDERS INTERIOR GIRDERS
PART SECTION A-A DETAILS OF COIL TIE RODS
IN BULB TEE GIRDERS


(End Diaphragms with Expansion Device)
Reinforcement:


PART ELEVATION
NEAR INT. BENT FOR
BULB TEE GIRDERS
PART ELEVATION NEAR INT. BENT
Note: Slope at top of beam cap and protective coating to be used on structures with expansion devices.


(1) For Bulb Tee Girders, the first #6 Bar shall be placed 10" from the centerline of Web (Top Flange will
prevent some Bars from extending into the Slab).
PART PLAN NEAR INT. BENT


PART SECTION A-A DETAIL "A"
(*) See Detail "A" for the placement of reinforcement.

(**) Use the same clearance as longitudinal slab steel.

NOTE: Epoxy coat all reinforcing steel in the end diaphragms.


(End Diaphragm with Finger Plate Expansion Device)
Diaphragm Reinforcements:


CLOSED DIAPHRAGM:

(NOTE: Use only when expansion device connects prestress girder series and steel girder series.)


NOTE: See preceding sheets for bar spacing and detail not shown.

A protective coating shall be applied to concrete surface exposed to drainage from roadway. Indicate surface to be coated on plans. Epoxy coat all reinforcing steel in the end diaphragms.

  (2) For Bulb Tee Girders use 3-#4 Bars in each face.


OPEN DIAPHRAGM

(*) Use only on Type 6 Girder
(**) 12" for #4 Bars
14" for #6 Bars
(Shown on Plans)
 

(1) Use the same clearance as longitudinal slab steel.

751.22.3.13 Intermediate Diaphragms

(Use Steel Intermediate Diaphragm for Prestress Spans over 50 feet)



PART SECTION SHOWING INTERMEDIATE DIAPHRAGMS
(MoDOT Type 2,3,4,6 and NU 53)


DETAIL "A" DETAIL "B"


(*) In lieu of 2 1/2" O.D. washers, contractor may substitute a 3/16" (Min. thickness) plate with four 15/16"ø holes and one hardened washer per bolt.
(**) Bolts shall be tightened to provide a tension of one-half that specified in Sec 712 for high strength bolt installation. A325 bolts may be substituted for and installed in accordance with the requirements for the specified A307 bolts.
NOTE: Use Detail "A" at interior girder for diaphragms straight in line across structure. (Use straight diaphragm normal to girders for skews thru 20°).

Use Detail "B" for exterior girder and interior girder for diaphragms stepped across structure. (Use stepped diaphragm for skews over 20°).


SECTION C-C SECTION D-D
SECTION E-E
 
  PART SECTION SHOWING
INTERMEDIATE DIAPHRAGMS

(MoDOT Type 7,8, NU 63 and 70)


Bulb Tee spans of 90 ft. or less require one intermediate diaphragm per span. Bulb Tee spans of over 90 ft. require two intermediate diaphragms per span (spaced equally as allowed by clearance to harped strands). Maximum spacing is 50 ft.

Permanent intermediate diaphragms are not required for NU 35 and NU 43 standard girders. Temporary intermediate diaphragms/bracing are required for construction of the bridge deck. See EPG 751.50 Note H2.98.

The detailer shall check that the 1 1/2 inch ø holes for the diaphragms shown on the design plans will provide a minimum clearance of at least 1 1/2 inches to any prestressing strands.



DETAIL "A" DETAIL "B"


(*) In lieu of 2 1/2" O.D. washers, the contractor may substitute a 3/16" (Min. thickness) plate with four 15/16"ø holes and one hardened washer per bolt.
(**) Bolts shall be tightened to provide a tension of one-half that specified in Sec 712 for high strength bolt installation. A325 bolts may be substituted for and installed in accordance with the requirements for the specified A307 bolts.
NOTE: Use Detail "A" at interior girder for diaphragms straight in line across structure. (Use straight diaphragm normal to girders for skews thru 20°).

Use Detail "B" for exterior girder and interior girder for diaphragms stepped across structure. (Use stepped diaphragm for skews over 20°).



SECTION C-C SECTION D-D

751.22.3.14 Coil Ties


PART ELEVATION FOR
BULB-TEE GIRDERS
PART ELEVATION


PART PLAN
(SQUARE)

* 4" Min. (Typ.) (Do not show Dim. on Plans)



PART PLAN
(SKEWED TO 20 DEG.)



PART PLAN
(SKEWED OVER 20 DEG.)



EXTERIOR GIRDER AT END BENT


(1) 3" For Beam Type 2
5" For Beam Type 3, 4 & 6
 
NOTE: See previous page for location of Coil Tie Rods on Bulb Tee girders.

751.22.3.15 Dowel Bars (Rods)


PART ELEVATION
(FIXED BENT)
SECTION A-A


Dowel bars shall be used for all fixed intermediate bents under prestressed superstructures. Generally, shear resistance from shear key is not considered for typical bridges in seismic performance Category A.


Dowel bars shall be determined by design. (Minimum #6 Bars @ 12" Cts.) For shear stress, fv, computation, see EPG 751.9.3.1.2 Dowel Rods.
fvϕv ● Fvn
Where,
ϕv = Resistance factor
fv = Shear stress (ksi)
Fvn = Nominal shear resistance of dowel bar (ksi)

751.22.3.16 Vent Holes

Note: Use vent holes on all stream crossing structures.


PART ELEVATION OF GIRDER PART SECTION NEAR VENT HOLE


Note: Place vent holes at or near upgrade of 1/3 point of girders and clear
reinforcing steel or strands by 1-1/2" minimum and steel intermediate
diaphragms bolt connection by 6" minimum.

751.22.3.17 Shear Blocks

A minimum of two Shear Blocks 12" wide x (1) high by width of diaphragm, will be detailed at effective locations on open diaphragm bent caps when adequate structural restraint cannot be provided for with anchor bolts.

ELEVATION VIEW


(1) Height of shear block shall extend a minimum of 1" above the top pf the sole plate.



ELEVATION VIEW



PLAN VIEW


Note:
Shear blocks shall be used at bents with open diaphragms when anchor bolts can not be designed to resist earthquake loading.


PLAN VIEW OF BEAM CAP
EXPANSION BENTS WITH OPEN DIAPHRAGMS


Note:
For Expansion Bents with open diaphragms, the steps or Shear Block (if applicable) should be normal to the length of cap.



PLAN VIEW OF BEAM CAP
EXPANSION BENTS WITH CLOSED DIAPHRAGMS


Note:
For Closed Diaphragm Expansion Bents, the steps or haunches shall be detailed parallel to the centerline of roadway.

For Integral End Bents the steps may be skewed due to stirrups being placed parallel to centerline of roadway.

Shear Blocks for Expansion Bents with Closed Diaphragms shall be detailed parallel to the centerline of roadway. Shear Blocks used in conjunction with sole plates and anchor bolts shall be detailed parallel to the edge of sole plate.

751.22.3.18 Miscellaneous

Dimensional Tolerances - I Girders (For Tee Girders & Deck Panels, see Sec 1029)


Note: The following dimensional tolerances will be required (Also see Sec 1027 & 1029)


Length of beam ± 1/8 inch per 10 feet of beam length, but not greater than 3/4 inch.
Width (flanges, web and fillets) + 3/8 inch, - 1/4 inch.
Depth (flanges, web and fillets) ± 1/4 inch.
Depth (overall) + 1/2 inch, - 1/4 inch.
Horizontal alignment (Deviation from a straight line parallel to centerline of member 1/2 inch max., to 40-foot lengths. 3/4 inch max., 40 to 60-foot lengths. 1 inch max., 60-foot or greater lengths.
Camber (Deviation from design camber within 7 days of strand release) ± 1/2 inch, to 80-foot lengths. ± 1 inch, greater than 80-foot lengths.
Stirrup bars (projection above top of beam) ± 3/4 inch.
Stirrup bars (longitudinal spacing) ± 2 inches
Tendon position ± 1/4 inch center of gravity of strand group and individual tendons.
Position of deflection points for deflected strands ± 6 inches, longitudinal.
Position for lifting devices ± 6 inches, longitudinal.
Side Inserts (Centerline to centerline and centerline to end) ± 1/2 inch.
Coil Inserts (Centerline to centerline and centerline to end) ± 2 inches horizontal, except must be 3 inches or more from end of beam and within reinforcement cage of bent, ± 1 inch vertical.
Slab Drain Inserts ± 1/2 inch from designated location, engineer may approve location ± 6 inches from design, multiple inserts for single drain must be within ± 1/2 inch of vertical line.
Exposed beam ends (deviation from square or designated skew) ± 1/4 inch horizontal, ± 1/8 inch vertical per foot of beam height.
Bearing area (deviation from plane) ± 1/8 inch.
Bearing plates (centerline to centerline) ± 1/8 inch per 10 feet of beam length, but not greater than 3/4 inch.
Bearing plates (centerline to end of beam) ± 1/2 inch.
Diaphragm Hole Location ± 1 1/2 inches for centerline of group ± 1/2 inch within group.


Expansion Device Support Slots


Used with preformed compression joint seal, flat plate, strip seal or finger plate expansion devices.



PART PLAN OF P/S CONC. I-GIRDER @ EXP. DEVICE END



PART ELEVATION OF P/S CONC. I-GIRDER @ EXP. DEVICE END


(*) Show these dimensions on the P/S concrete girder sheet.


Anchor Bolts
Simple Spans



PART ELEVATION
Note:

It is permissible for the reinforcing bars and or the strands to come in contact with the materials used in forming A.B. holes.

If A.B. holes are formed with galvanized sheet metal, the forms may be left in place.

Hole (1-1/2"ø) to be grouted with expansive type mortar meeting the requirements of Sec 1066.